EasyManua.ls Logo

Linde E30 - Contactors; Directional Contactors

Linde E30
168 pages
Print Icon
To Next Page IconTo Next Page
To Next Page IconTo Next Page
To Previous Page IconTo Previous Page
To Previous Page IconTo Previous Page
Loading...
Service Training
Section 2.6
Page 16
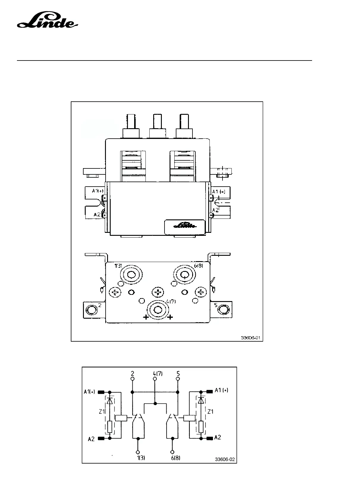
2.6.2 CONTACTORS
2.6.2.1 DIRECTIONAL CONTACTORS
Circuit diagram:

Table of Contents

Related product manuals