EasyManua.ls Logo

Linde E30 - Control Units and System Logic

Linde E30
168 pages
Print Icon
To Next Page IconTo Next Page
To Next Page IconTo Next Page
To Previous Page IconTo Previous Page
To Previous Page IconTo Previous Page
Loading...
Service Training
Section 2.6
Page 27
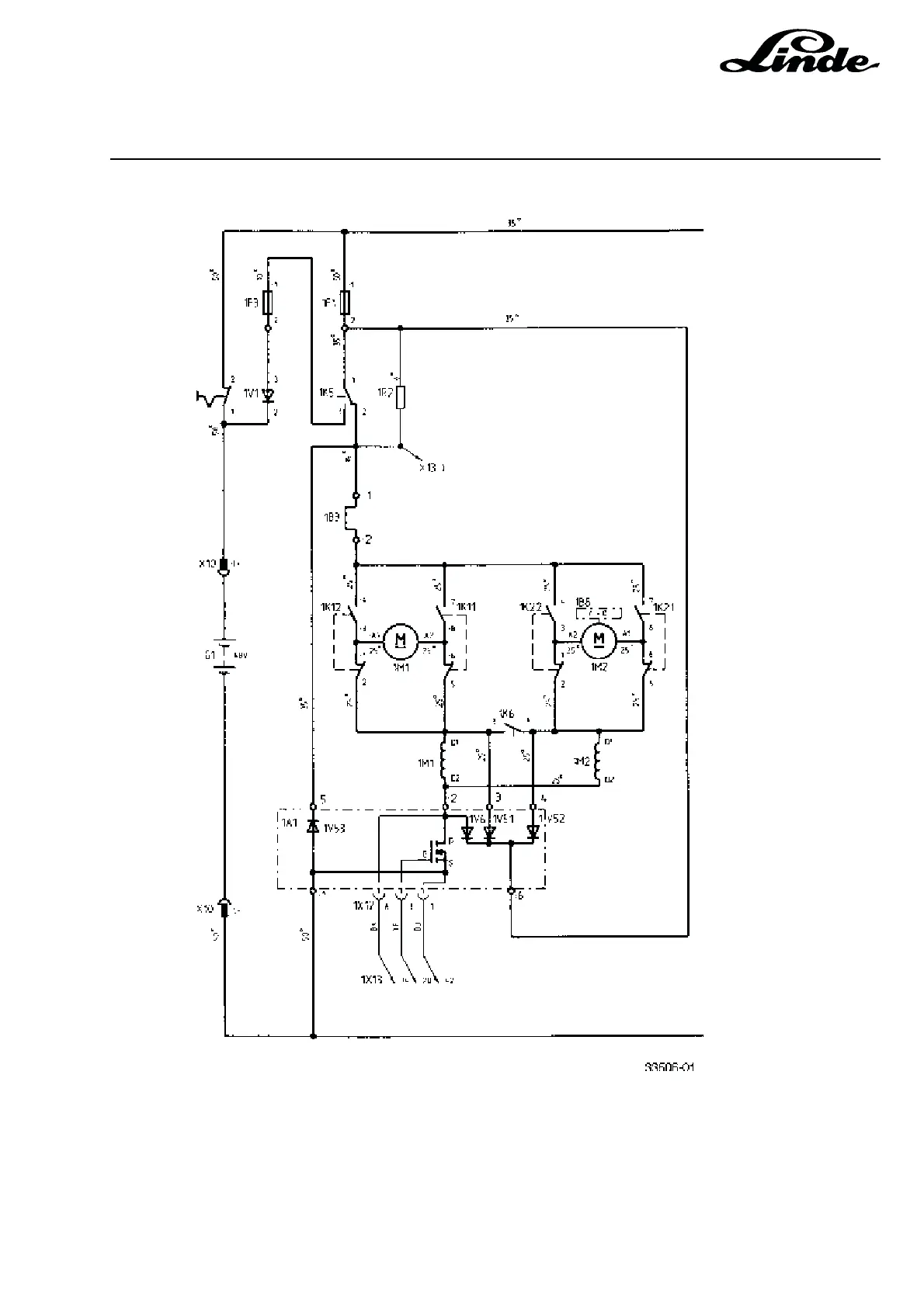
2.6.5 MAIN CIRCUIT SECTION TRACTION CONTROL
1K21 Reverse contactor, left-hand
1K22 Forward contactor, left-hand
1M1 Traction motor, right-hand
1M2 Traction motor, left-hand
1R2 Resistor
1V1 Diode
1V6 Freewheel diode
1V51 Brake diode
1V52 Brake diode
1V53 Regenerative current diode
G1 Battery
S2 Emergency off switch
1A1 Power unit
1B3 Current sensor
1F1 Main circuit fuse
1F3 Fuse
1K5 Regenerative current contactor
1K11 Reverse contactor, right-hand
1K12 Forward contactor, right-hand

Table of Contents

Related product manuals