EasyManua.ls Logo

Linde E30 - Enable Signal, Thermal Switch and Cut-Off When Battery Is Discharged (to Series 6;95)

Linde E30
168 pages
Print Icon
To Next Page IconTo Next Page
To Next Page IconTo Next Page
To Previous Page IconTo Previous Page
To Previous Page IconTo Previous Page
Loading...
Service Training
Section 2.6
Page 61
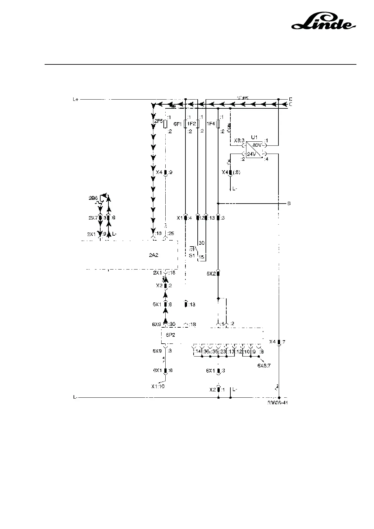
2.6.7.1.2 ENABLE SIGNAL, THERMAL SWITCH AND CUT-OFF WHEN THE BATTERY IS DISCHARGED
(TO SERIES 6/95)
The enable signal provided by the timer of seat switch 1A3 is applied to connector 2X1:10. This signal is
also applied to terminal 2X1:18 via the cut-off contact for the combined instrument 6P2. When the battery
charge indicator (with battery discharged 80%) is cut off and the speed (motor rpm) for all work movements
is reduced. It is possible to continue work at reduced working speed.
The speed of the working hydraulics is also reduced to 50 % when thermal switch 2B6 opens (breaker at
160 °C).

Table of Contents

Related product manuals