EasyManua.ls Logo

Linde E30 - Modification to Single Pedal Model

Linde E30
168 pages
Print Icon
To Next Page IconTo Next Page
To Next Page IconTo Next Page
To Previous Page IconTo Previous Page
To Previous Page IconTo Previous Page
Loading...
Service Training
Section 2.6
Page 45
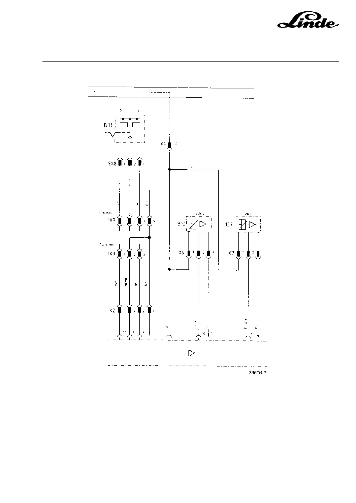
2.6.6.4.1 MODIFICATION TO SINGLE-PEDAL MODEL
- Modify the traction control to the single-pedal version.
- Remove the steering column cover.
- Disconnect the blue cable on terminal 1X9:2 and plug it on the unused terminal 1X9:4.
- Install directional switch 1S13 on the steering column.
- Connect directional switch 1S13 to flat connector 1X9 according to the wiring diagram.
NOTE: From series 7/95, two indicator lights in the instrument show the preselected direction of travel.
They are controlled directly via the two terminals :1 and :3 on plug 1X9.

Table of Contents

Related product manuals