EasyManua.ls Logo

Logosol PH260 - Electrical Diagrams; 400 V 3-Phase Diagram

Logosol PH260
44 pages
Print Icon
To Next Page IconTo Next Page
To Next Page IconTo Next Page
To Previous Page IconTo Previous Page
To Previous Page IconTo Previous Page
Loading...
38
2
1
L3 T3
KONT.
KONT.
KONT.
L2 T2
L1 T1
A1 A2
TILL
4 3
3
2
1
4
5
TERMOKONT.
TILL
VIT LAMPA
MOTOR
MATNINGSMOTOR
K5
GUL/GRÖN
FRÅN
8
5
L3 T3
KONT.
KONT.
KONT.
L2 T2
L1 T1
4 3
3
2
1
4
5
C1
L2 V2 I SP
A1 A2
4 3
2 1
BROMSKORT 230V
K4
TERMOKONT.
MOTOR
GUL/GRÖN
ÖVERKUTTER
L3 T3
KONT.
KONT.
KONT.
L2 T2
L1 T1
A1 A2
HUVBR.
TILL
3
4
4 3
3
2
1
4
5
TERMOKONT.
L3 T3
KONT.
KONT.
KONT.
L2 T2
L1 T1
A1 A2
TILL
4 3
3
2
1
4
5
TERMOKONT.
L3 T3
KONT.
KONT.
KONT.
L2 T2
L1 T1
A1 A2
TILL
4 3
3
2
1
4
5
TERMOKONT.
TILL
VIT LAMPA
TILL
VIT LAMPA
TILL
VIT LAMPA
VIT LAMPA
5
6
MOTOR
1
MOTOR
2
MOTOR
3
9
TRANS
UNDERKUTTER
K1
K2
K3
SPÄNNING
SÄKRING
GUL/GRÖN
GUL/GRÖN
GUL/GRÖN
VERTIKALKUTTER (GER)
VERTIKALKUTTER (VÄNSTER)
ELSKÅP
MANÖVERPANEL
L1 L2 L3
SÄKRING
4
7
TILL
TILL
VIT LAMPA
6
NJord
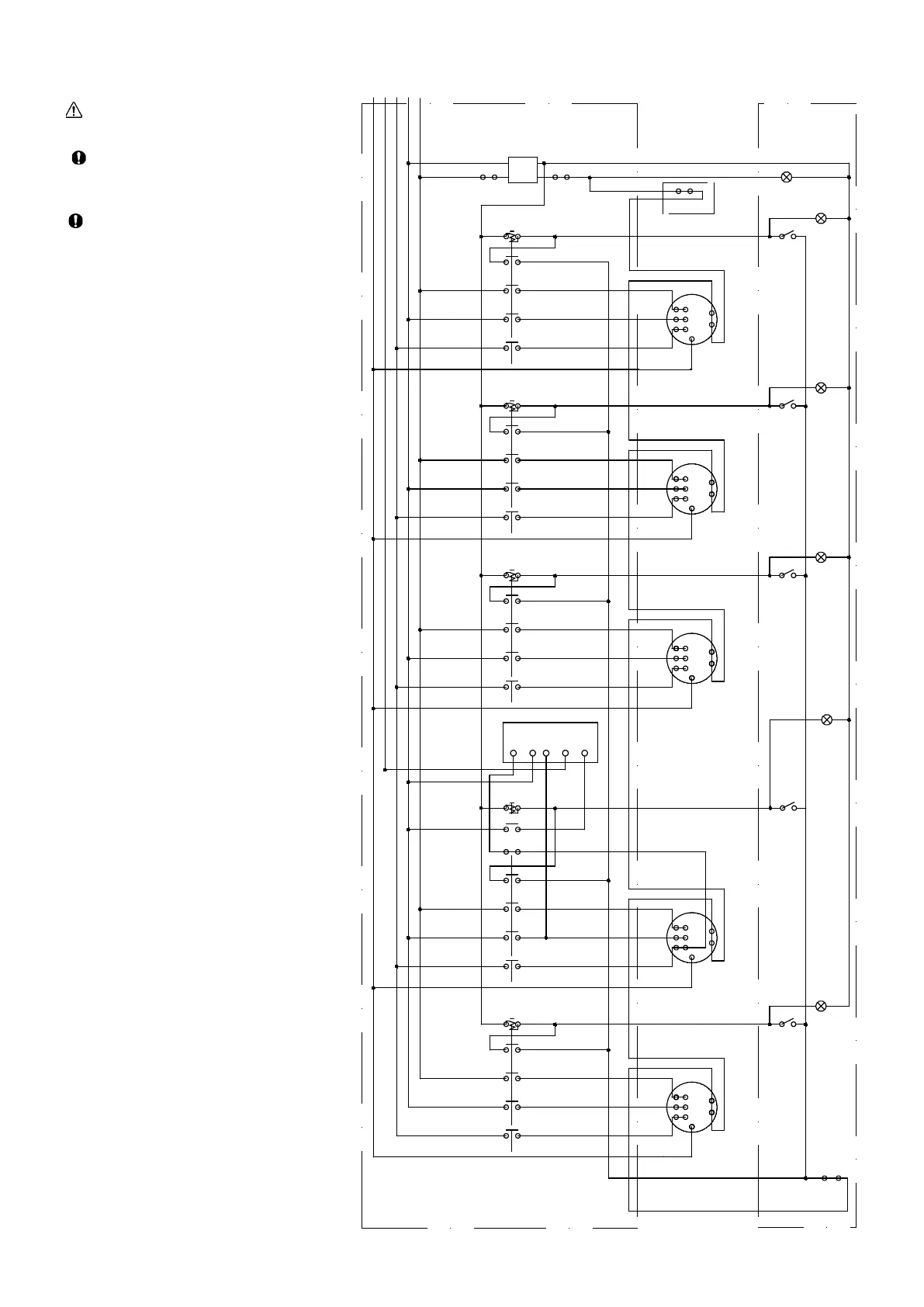
ELSCHEMA PANELHYVEL PH260, 400 VOLT 3-fas, Nr 424-
400/230
Circuit diagram 400 V 3-phase
Lethal voltage! Faulty connection can result
in a fatal accident.
Note that only qualied electricians are
authorized to open/access the electrical
equipment.
Ensure that the power is disconnected before
opening the electrical system.
CIRCUIT DIAGRAM PLANER/MOULDER, 240 V 3-PHASE, NO 424-
Earth
ELECTRIC BOX
CONTROL PANEL
FUSE FUSE
MAIN SWITCH
WHITE LAMP
VOLTAGE ON
WHITE LAMP
ON
WHITE LAMP
ON
WHITE LAMP
ON
WHITE LAMP
ON
WHITE LAMP
ON
OFF
C1
C2
C3
C4
C5
BRAKE CARD 230 V
CONT.
CONT.
CONT.
CONT.
CONT.
CONT.
CONT.
CONT.
CONT.
CONT.
CONT.
CONT.
CONT.
CONT.
CONT.
LOWER CUTTER
SIDE CUTTER (RIGHT)
SIDE CUTTER (LEFT)
UPPER CUTTER
FEED MOTOR
YELLOW/GREEN
YELLOW/GREEN
YELLOW/GREEN
YELLOW/GREEN
YELLOW/GREEN
OVER-
HEATING
PROTEC-
TION
ON
ON
ON
ON
ON
OVER-
HEATING
PROTEC-
TION
OVER-
HEATING
PROTEC-
TION
OVER-
HEATING
PROTEC-
TION
OVER-
HEATING
PROTEC-
TION

Related product manuals