EasyManua.ls Logo

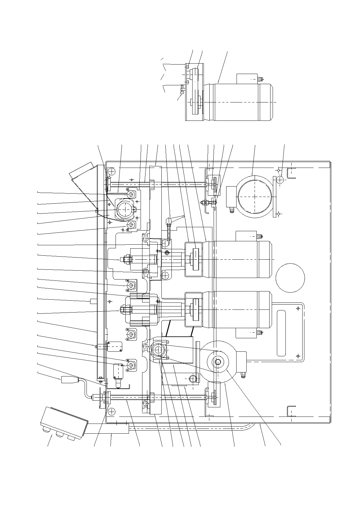
Logosol PH260 - Overall View

Logosol PH260
44 pages
Print Icon
To Next Page IconTo Next Page
To Next Page IconTo Next Page
To Previous Page IconTo Previous Page
To Previous Page IconTo Previous Page
Loading...
8
3 4 5 6 7 8 9
3
10
11 12 3
13 14
15
16
30
31
32
20
33
34
36
37
17
18
19
20
21
22
24
25
26
28
29
38
39
40
27
41
35
70
71
72
24
1
2
23
23
Overall View

Related product manuals