EasyManua.ls Logo

LSIS H100-2 - Page 48

LSIS H100-2
610 pages
Print Icon
To Next Page IconTo Next Page
To Next Page IconTo Next Page
To Previous Page IconTo Previous Page
To Previous Page IconTo Previous Page
Loading...
Installing the Inverter
34
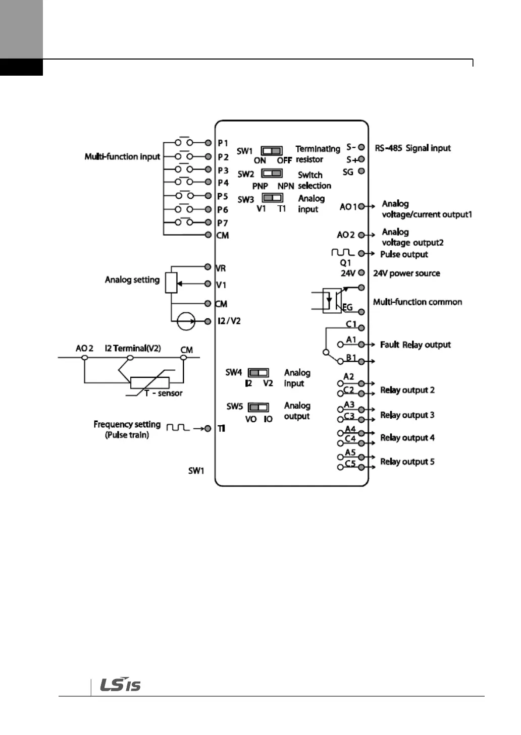
Input and Output Control Terminal Block Wiring Diagram

Table of Contents

Related product manuals