EasyManua.ls Logo

LSIS H100-2 - Dynamic Breaking (Db)Unit & DB Resistor Basic Wiring

LSIS H100-2
610 pages
Print Icon
To Next Page IconTo Next Page
To Next Page IconTo Next Page
To Previous Page IconTo Previous Page
To Previous Page IconTo Previous Page
Loading...
Technical Specification
563
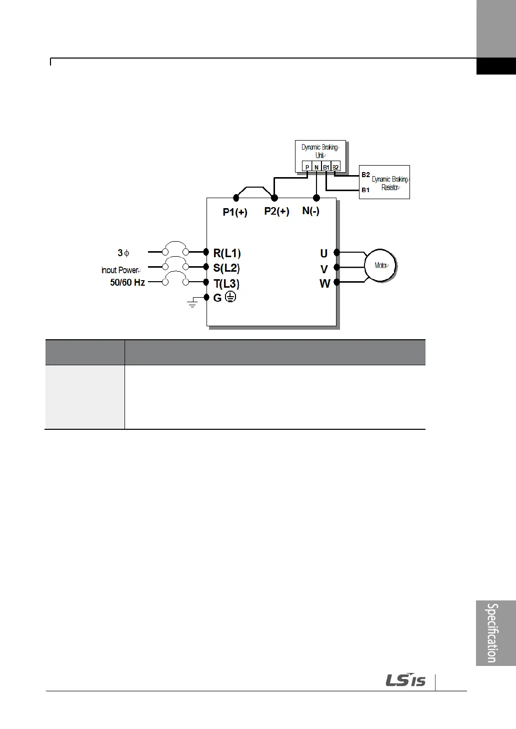
11.7.3 Dynamic Breaking (DB)Unit & DB resistor basic wiring
DBU Terminals
Description
B1,B2
Wire correctly referring to wiring diagram. DB Resistors connect
with B1, B2 of DB Unit.

Table of Contents

Related product manuals