EasyManua.ls Logo

Magnamed Fleximag - Pneumatic Specifications; Pneumatic Chart; Gas Inlet Connections

Magnamed Fleximag
114 pages
Print Icon
To Next Page IconTo Next Page
To Next Page IconTo Next Page
To Previous Page IconTo Previous Page
To Previous Page IconTo Previous Page
Loading...
60
MAGNAMED TECNOLOGIA MÉDICA S/A
Connectivity: connection with
computers for rescue and data printing
(tend and events)
Updating software without having to
open the device
RS-232 connector (EIA RS-232C) Type DB9 female
Pneumatic Specifications
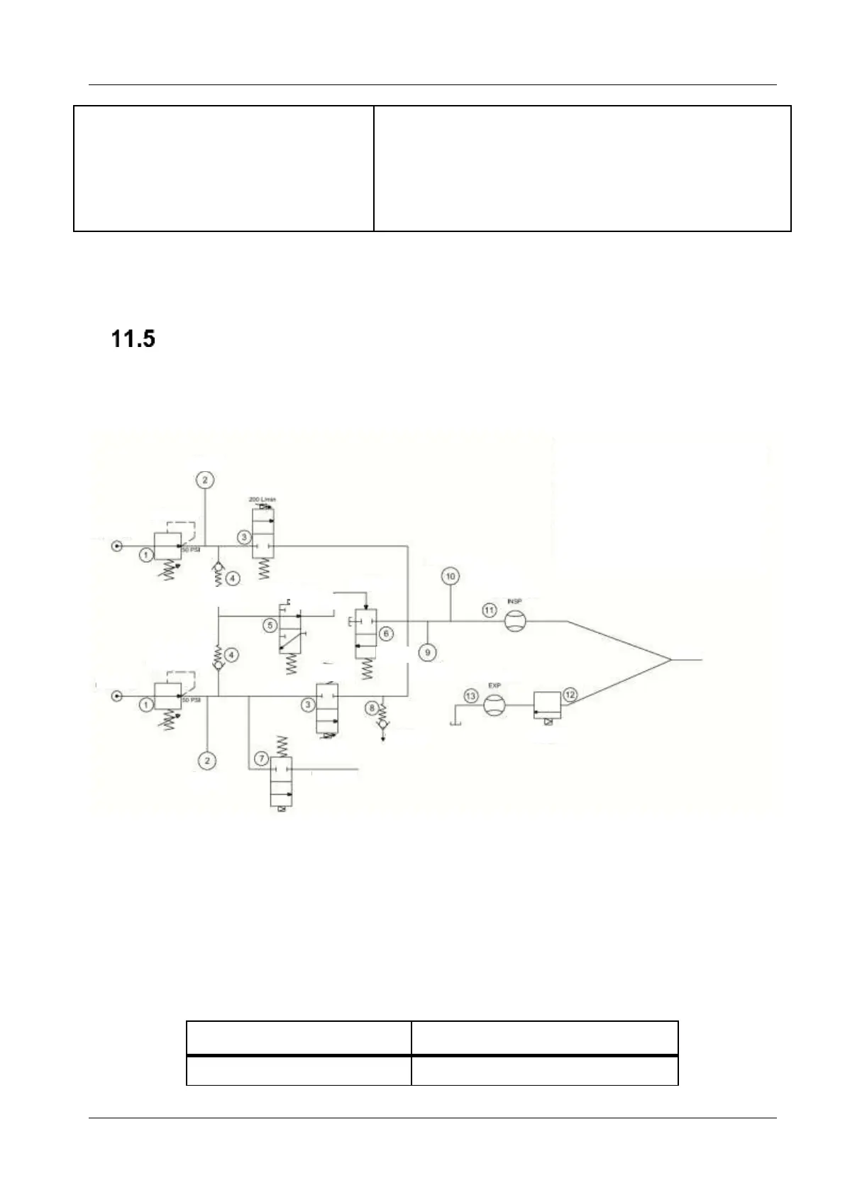
11.5.1 Pneumatic Chart
Figure 6 Pneumatic chart FlexiMag
11.5.2 Gas inlet connections
Table 15 Gas inlet connections
Item
Specification
Connections
As ABNT NBR 11906:2011
03
Proportional O
2
02
Reg Pressure
01
Regulated Valve
Oxygen 40~150 PSI
06
Anti-asphyxia
15
NIF Maneuver
05
Nebulizer TGI
08
Oxygen
Concentration
01 Pressure regulating valve
02 Regulated pressure measured (Pressure sensor)
03 Proportional valve control
04 Unidiretional valve Scheader
05 Solenoid for overpressure control
06 Unidiretional valve (Relief valve)
07 Solenoid to nebulizer TGI control
08 Unidiretional valve (Anti-Asphyxia)
09 Pressure intake
10 O
2
concentration
11 Inspiratory flow sensor (internal)
12 Expiration control - PEEP
13 Expiratory flow sensor (external)
Pressure
sensor
Reg. Valve
AIR Inlet
Prop. Valve
O
2
concentration
Flow sensor
Flow sensor
Exhalation
valve
Pressure
intake
Anti-asphyxia
Nebulizer TGI
Pressure
sensor
O
2
Inlet
Prop. Valve
200 L/min
Reg. Valve
Schrader
Valve
Schrader
Valve
Overpressure
valve
Solenoid valve
Three ways
Patient

Table of Contents

Related product manuals