EasyManua.ls Logo

Martin Tornado - Pneumatic Installation of the 5;2 Way Solenoid Valve

Martin Tornado
73 pages
Print Icon
To Next Page IconTo Next Page
To Next Page IconTo Next Page
To Previous Page IconTo Previous Page
To Previous Page IconTo Previous Page
Loading...
© Martin Engineering GmbH 29 M3727UK-09/15
Installation
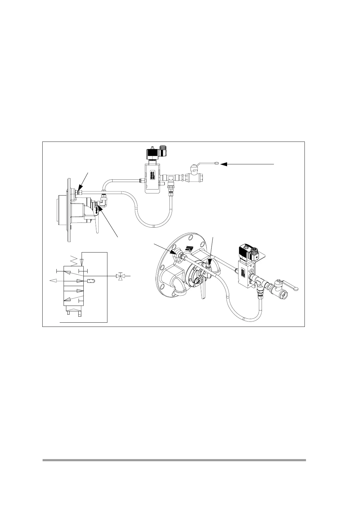
5.2.10 Pneumatic installation of the 5/2-way solenoid valve.
1. Install the air supply at the connection (1 Fig. 7) of the solenoid
valve.
2. Connect the filling hose of the compressed air supply to the port
(A Fig. 7) of the air cannon valve.
3. Connect the control cable of the solenoid valve's port (4 Fig. 7)
to the control port (B Fig. 7) of the air cannon valve.
4. Use dummy plugs to close the connections (2 and 3 Fig. 7).
5. Install a silencer to the port (5 Fig. 7) of the solenoid valve as
an option.
Fig. 7
A
A
B
B
5
1
3
4
2
Air supply
5
1
3
4
2

Table of Contents

Related product manuals