EasyManua.ls Logo

Mazda 6 MPS 2005 - Intake-Air System

Mazda 6 MPS 2005
112 pages
Print Icon
To Next Page IconTo Next Page
To Next Page IconTo Next Page
To Previous Page IconTo Previous Page
To Previous Page IconTo Previous Page
Loading...
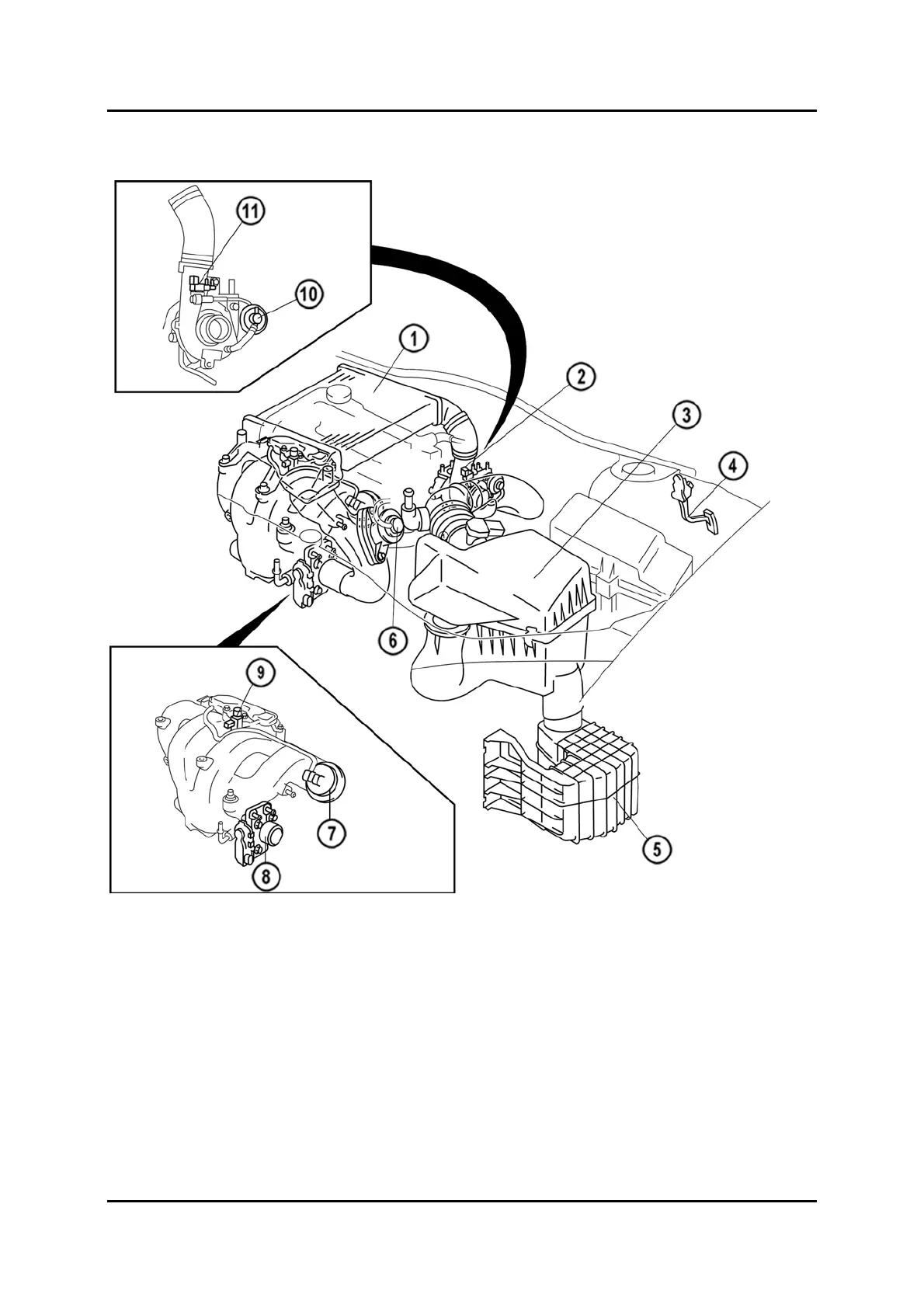
Engine L3 Turbo
Intake-Air System
M6-MPS_01024
1 Charge air cooler 7 Variable swirl shutter valve actuator
2 Turbocharger 8 Throttle body
3 Air cleaner 9 Variable swirl solenoid valve
4 Accelerator pedal 10 Wastegate actuator
5 Resonance chamber 11 Wastegate control solenoid valve
6 Air bypass valve
Service Training Mazda6 MPS Supplement 01-23

Table of Contents

Related product manuals