EasyManua.ls Logo

Mazda 6 MPS 2005 - Control System Wiring Diagram

Mazda 6 MPS 2005
112 pages
Print Icon
To Next Page IconTo Next Page
To Next Page IconTo Next Page
To Previous Page IconTo Previous Page
To Previous Page IconTo Previous Page
Loading...
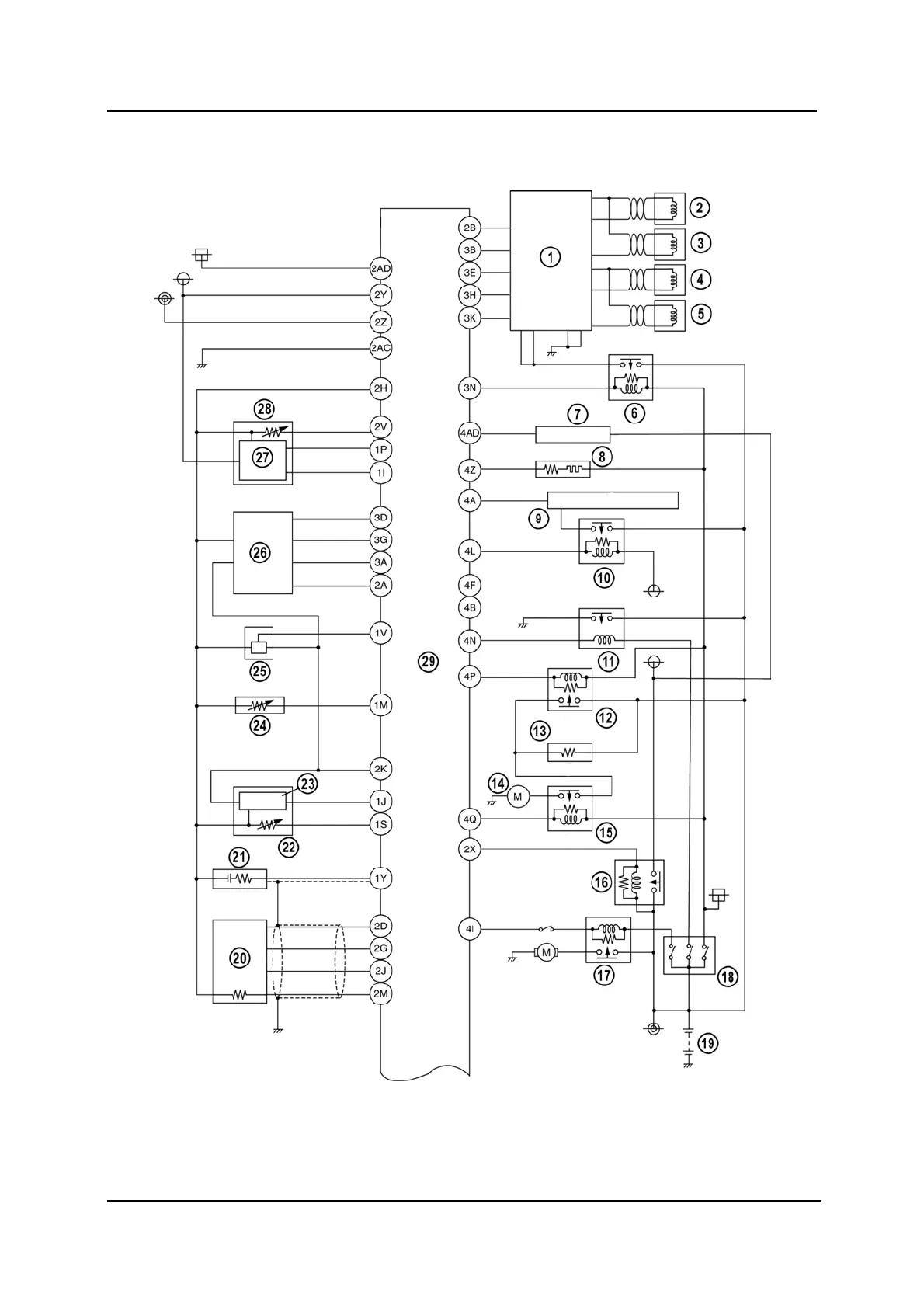
L3 Turbo Engine
Control System Wiring Diagram
M6-MPS_01045
01-52 Service Training Mazda6 MPS Supplement

Table of Contents

Related product manuals