EasyManua.ls Logo

Mazda 6 MPS 2005 - Control System Structural View

Mazda 6 MPS 2005
112 pages
Print Icon
To Next Page IconTo Next Page
To Next Page IconTo Next Page
To Previous Page IconTo Previous Page
To Previous Page IconTo Previous Page
Loading...
L3 Turbo Engine
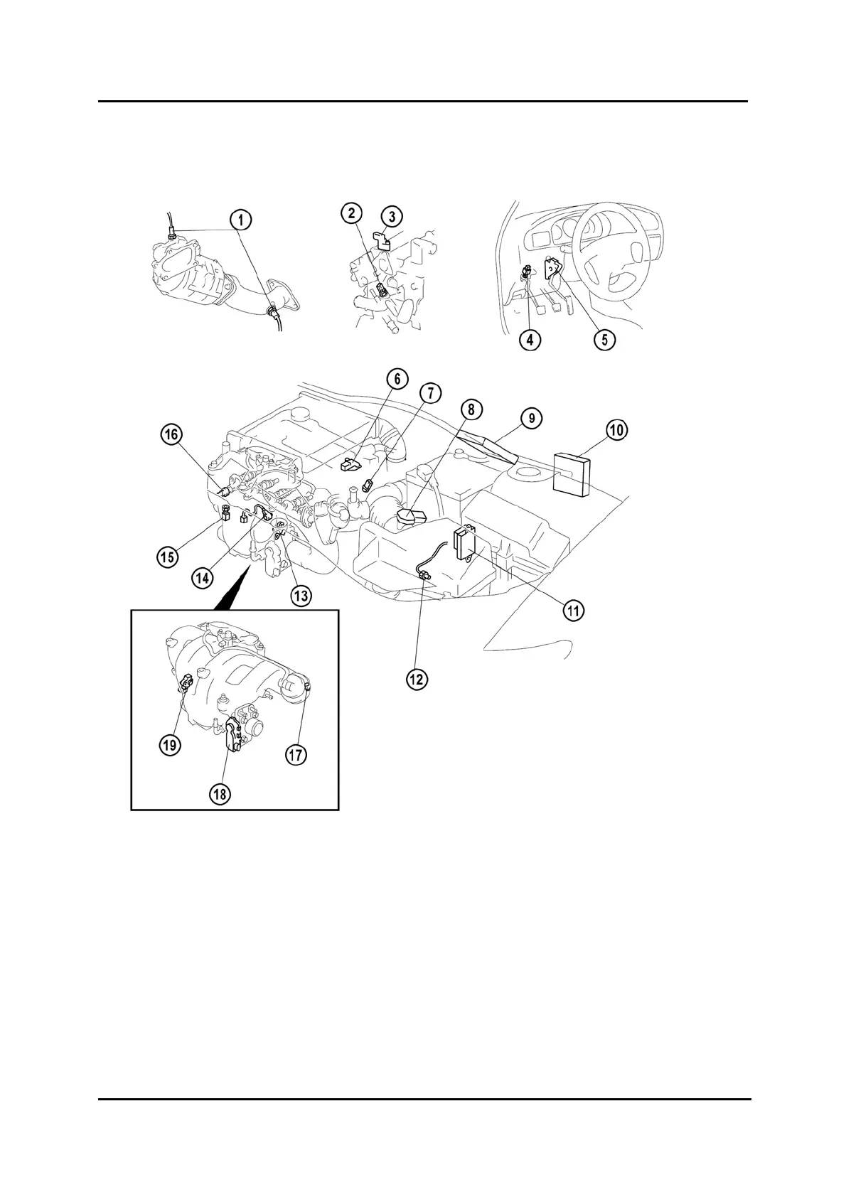
Control System Structural View
M6-MPS_01044
1 HO2S 11 Injector driver module
2 ECT sensor 12 Neutral switch
3 CMP sensor 13 CKP sensor
4 Clutch switch 14 KS
5 APP sensor 15 PSP (Power Steering Pressure) switch
6 CMP sensor 16 Fuel pressure sensor
7 ECT sensor 17 Variable swirl shutter valve switch
8 MAF / IAT sensor 18 TP sensor and throttle actuator
9 PCM (RHD (Right Hand Drive)) 19 MAP / Boost air temperature sensor
10 PCM (LHD (Left Hand Drive))
01-50 Service Training Mazda6 MPS Supplement

Table of Contents

Related product manuals