EasyManua.ls Logo

McElroy DynaMc 28 - Page 56

Default Icon
60 pages
Print Icon
To Next Page IconTo Next Page
To Next Page IconTo Next Page
To Previous Page IconTo Previous Page
To Previous Page IconTo Previous Page
Loading...
11 - 2
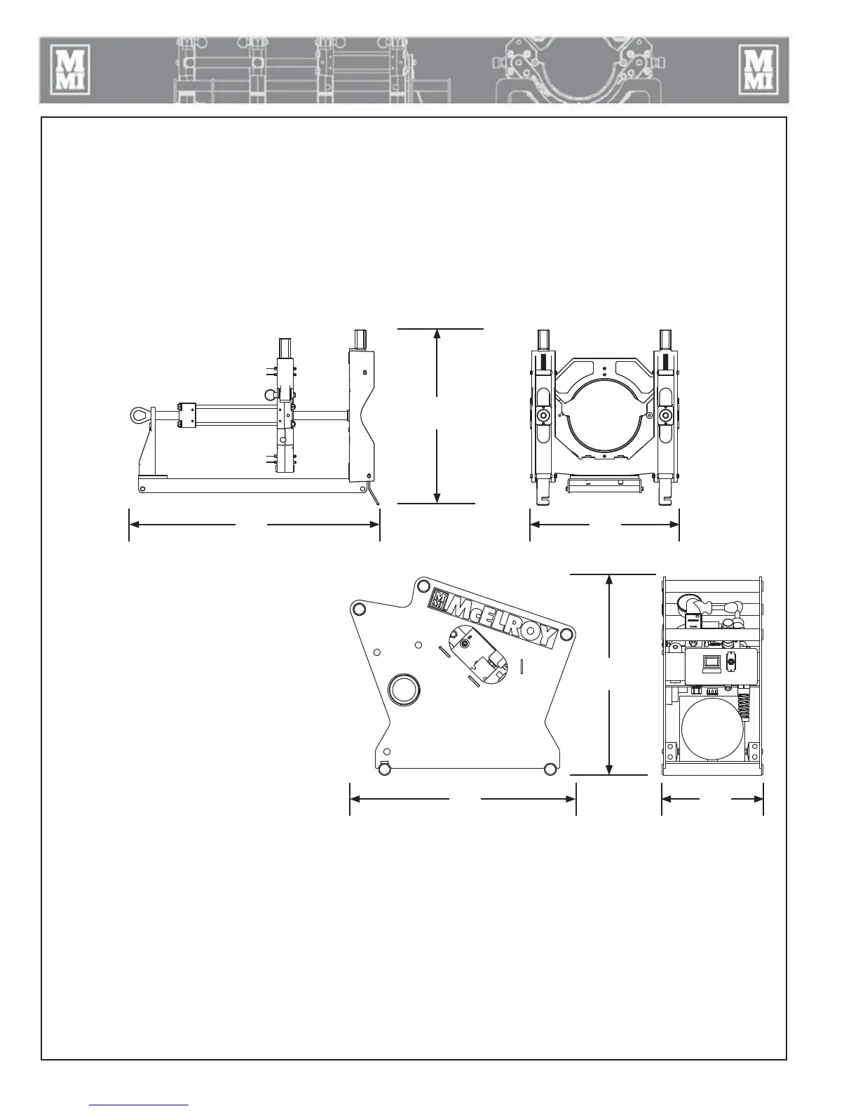
Fusion Machine Specifications:
28 Sidewall EP Carriage
Dimensions 28 Sidewall
Width: C 18" (457 mm)
Length: B 31" (787 mm)
Height: A 22" (559 mm)
Weights
Carriage Assembly: 88 lbs (40Kg)
EP Hydraulic Power Unit (HPU)
Dimensions HPU
Width: C 11" (279 mm)
Length: B 25" (635 mm)
Height: A 22" (559 mm)
Weight
HPU: 110 lbs (50Kg)
Fusion Pressure: 1500 PSI (103 BAR) Max.
Power: 2.2 HP, 14 Amp @ 120 VAC / 7 Amp @ 240 VAC
Specifications
A
A
B
B
C
C

Table of Contents