EasyManua.ls Logo

Mec Speed Level Series - Page 178

Mec Speed Level Series
344 pages
Print Icon
To Next Page IconTo Next Page
To Next Page IconTo Next Page
To Previous Page IconTo Previous Page
To Previous Page IconTo Previous Page
Loading...
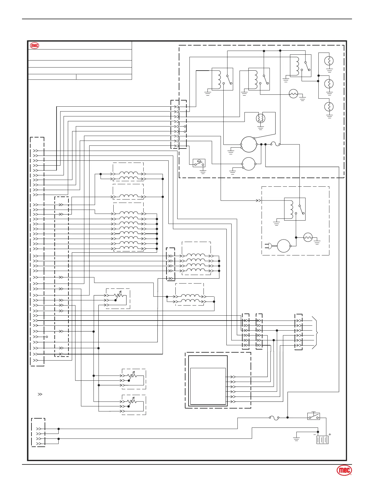
Page 171 Speed Level Series - Service & Parts Manual
January 2019Section 10 - Schematics
3084RT Diesel - Base Electric Schematic
ART_3198
none
SCHEMATIC
Model: / Serial #
Publication Art #:Reference Art #:
SCHEMATIC
Model: / Serial #
3084 | Serial #11800025 - UP
14
7
8
9
10
12
13
25
26
27
28
34
36
61
60
38
40
15
16
17
18
19
20
21
67
66
65
64
59
55
57
42
44
1
2
3
4
5
6
58
J1
J2
J6
J5
J4*
*J4 Plug contains
connections only
at points designated
by symbol
J12
1
2
3
4
5
6
1 415
2 15
3 515
4 414
5 BARE
TO
PLATFORM
6 413
BRN
BLU
ORG
BLK
BARE
RED
105
22
23
16
19
417
333
75
76
77
78
152
225
1
407
21
204
107
108
111
110
313
213
15
408
15
15
15
15
15
15
515
43
42
414
413
412
124
120
125
415
PRESSURE
TRANSDUCER
ANGLE
TRANSDUCER
CE CERTIFIED
ANGLE
TRANSDUCER
ELEVATION
CANTILT MODULE
AXLE
CAN BUS H
CAN BUS L
GND
12V INPUT
CAN BUS H
CAN BUS L
J10
J11
225
171
15
LEVEL
MANIFOLD
DOWN
VALVE
MAIN
MANIFOLD
AXLE LOCK
CYLINDERS
REAR
WHEELS
3084RT DIESEL
1 2
1 2
1 2
1 2
1 2
1 2
1 2
1 2
1 2
1 2
1 2
1 2
1 2
1 2
1 2
1 2
1 2
1
2
3
1
2
3
1
2
3
12 VOLTS
ENGINE
GROUND
30A
MAIN BATTERY
DISCONNECT
SWITCH
ST
OUT
B+
9
11
12
1
3
5
6
7
8
225
16
21
120
124
125
19
23
22
OIL
PRESSURE
ALTERNATOR
STARTER
THROTTLE
GLOW
FUEL SOLENOID
HOLD PULL
E B+
30A
ENGINE
R1
30
86
85
87
30
86
85
87
30
86
85
87
30
86
85
87
R2
R3
Base - Diesel
GENERATOR OPTION
THROTTLE
KICK
GENERATOR
AC E
415
15
515
414
412
413

Table of Contents

Related product manuals