EasyManua.ls Logo

mecalac 12 MXT - Air Conditioning Circuit (Option)

mecalac 12 MXT
88 pages
Print Icon
To Next Page IconTo Next Page
To Next Page IconTo Next Page
To Previous Page IconTo Previous Page
To Previous Page IconTo Previous Page
Loading...
28000 12MXT
M1 39
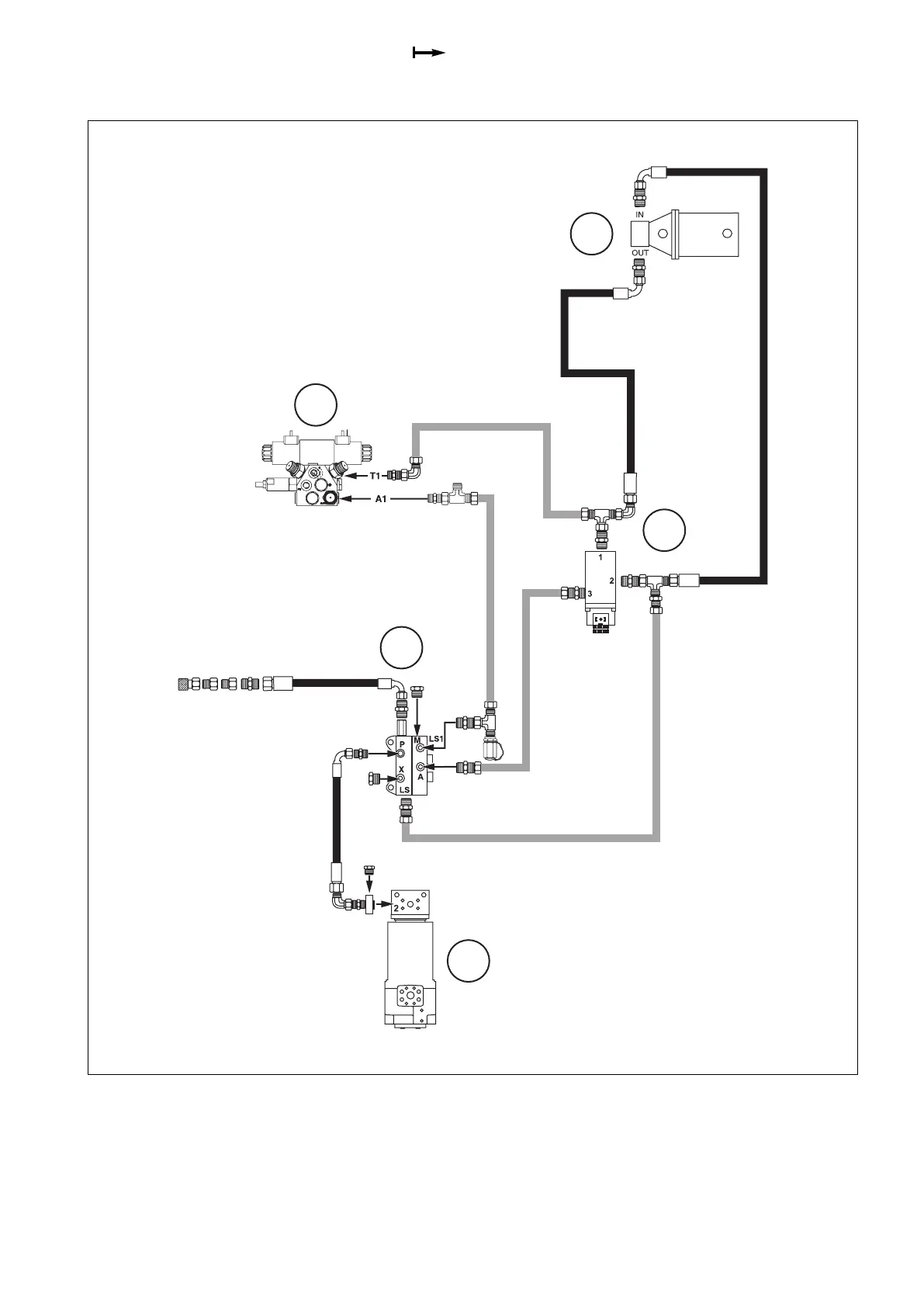
9.11 Air conditioning circuit (option)
K1
K2
K3
B11
B6
B6 - Rotary coupling
B11 - Functions block (High pressure)
K1 - Compressor
K2 - Solenoid-valve
K3 - Priority block

Table of Contents

Related product manuals