EasyManua.ls Logo

mensor PCS 400 - Page 108

mensor PCS 400
118 pages
Print Icon
To Next Page IconTo Next Page
To Next Page IconTo Next Page
To Previous Page IconTo Previous Page
To Previous Page IconTo Previous Page
Loading...
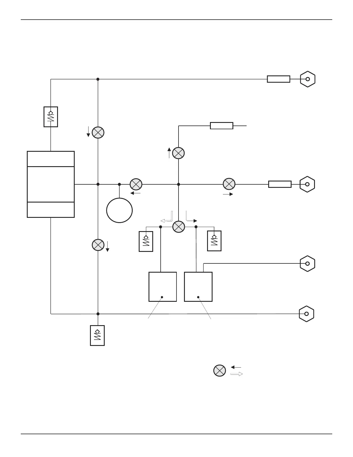
Two Independent Transducers
SUPPLY
SOURCE
REFERENC
E
EXHAUST
EXHAUST
OUTPUT
REGULATOR
ASSEMBLY
MEASURE/
CONTROL
FILTER
FILTER
VENT
1/3 PSI
CHECK
VALVE
CONTROL
SHUTOFF
SOLENOID
OUTPUT
SHUTOFF
SOLENOID
1PSI
RELIEF
VALVE
PRIMARY XDCR
RELIEF VALVE
ALTERNATE XDCR
RELIEF VALVE
N.C.
N.C.
P
P
*
L5
L3
L1
COARSE
SUPPLY
SOLENOID
N.C.
COARSE
EXHAUST
SOLENOID
L2
N.C.
PRIMARY
XDUCER
(ABSOLUTE)
VENT
SOLENOID
XDCR
SELECTOR
SOLENOID
N.C.
R
R
L4
L6
*
ALTERNATE
XDUCER
(GAUGE)
SPT
#00
(DEFAULT)
SPT
#01
(ALTERNATE)
P
AUX
XDUCER
L6 IS A 3-WAY SOLENOID VALVE. THE ARROWS
SHOW PRESSURE FLOW THROUGH THE VALVE.
RELAXED
L1 THROUGH L5 ARE 2-WAY, NORMALLY CLOSED (N.C.).
ENERGIZED
NO CONNECTION TO REFERENCE PORT
IF BOTH TRANSDUCERS ARE ABSOLUTE
NOTES:
FILTER
Figure 9.6 - Pneumatic Schematic
PCS 400 APPENDIX
www.mensor.com 9-15

Table of Contents