EasyManua.ls Logo

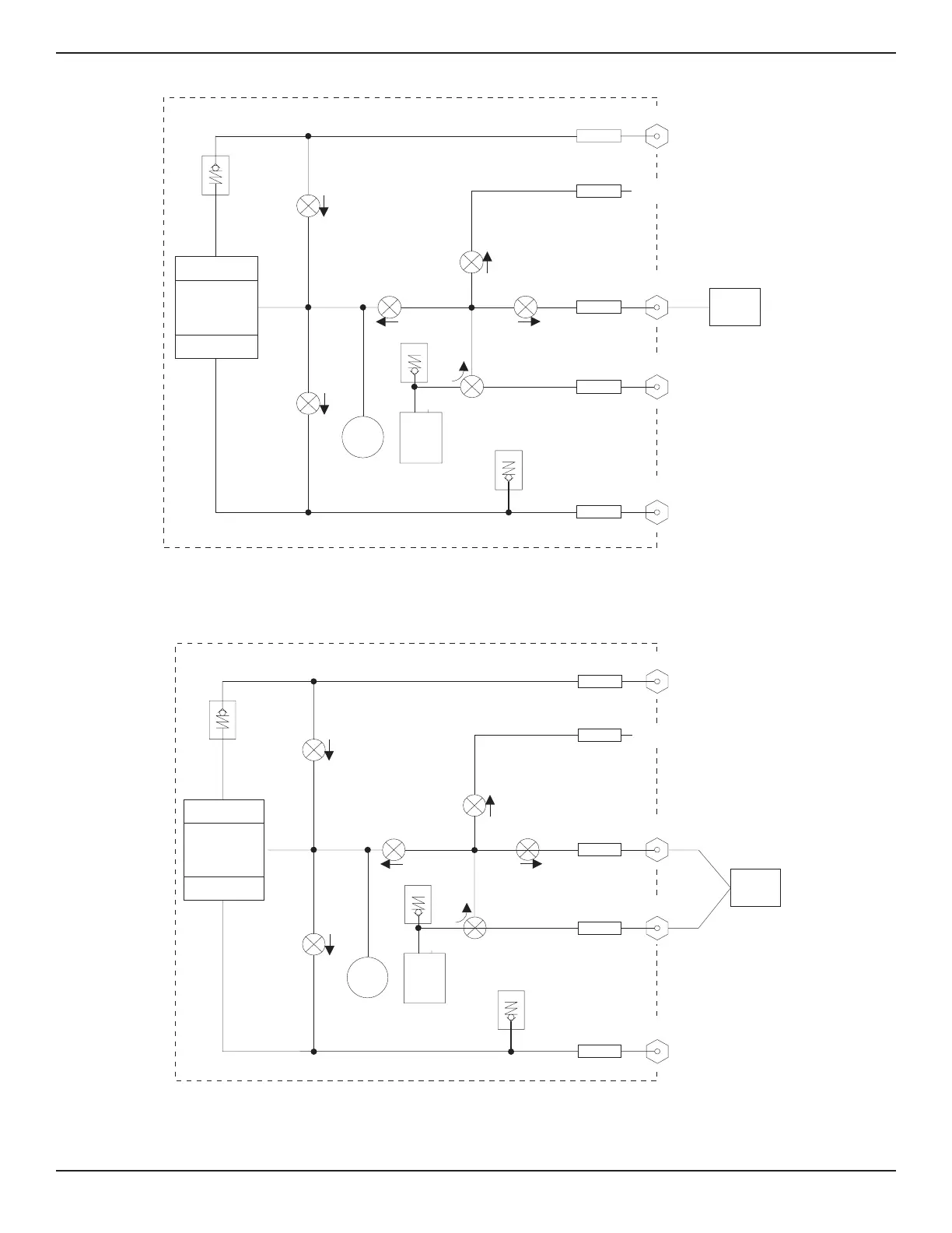
mensor PCS 400 - Figure 8.8 - Large Volume Option (<1000 CCs External); Figure 8.9 - Large Volume Option (>1000 CCs External)

mensor PCS 400
118 pages
Print Icon
To Next Page IconTo Next Page
To Next Page IconTo Next Page
To Previous Page IconTo Previous Page
To Previous Page IconTo Previous Page
Loading...
SUPPLY
MEASURE
EXHAUST
OUTPUT
CONTROL
FILTER
VENT
FILTER
FILTER
CHECK
VALVE
CONTROL
SHUTOFF
SOLENOID
MAIN
POPOFF
RELIEF
VALVE
AUX
XDCR
PRIMARY
XDCR
N.C.
L5
L1
COARSE
SUPPLY
SOLENOID
N.C.
COARSE
EXHAUST
SOLENOID
L2
N.C.
OUTPUT
SHUTOFF
SOLENOID
SHUTOFF
SOLENOID
VENT
SOLENOID
N.C.
N.C.
N.O.
N.C.
L3
A
L3
B
L4
P
P
R
FILTER
FILTER
PCS 400
DEVICE
UNDER
TEST
NORMAL
VOLUME
SUPPLY
EXHAUST
REGULATOR
ASSEMBLY
Figure 8.8 - Large Volume Option (<1000 cc's external)
OUTPUT
FILTER
CHECK
VALVE
CONTROL
SHUTOFF
SOLENOID
MAIN
POPOFF
RELIEF
VALVE
AUX
XDCR
PRIMARY
XDCR
N.C.
L5
L1
COARSE
SUPPLY
SOLENOID
N.C.
COARSE
EXHAUST
SOLENOID
L2
N.C.
OUTPUT
SHUTOFF
SOLENOID
SHUTOFF
SOLENOID
VENT
SOLENOID
N.C.
N.C.
N.O.
N.C.
L3
A
L3
B
L4
P
P
R
PCS 400
SUPPLY
MEASURE
EXHAUST
CONTROL
VENT
DEVICE
UNDER
TEST
LARGE
VOLUME
FILTER
FILTER
FILTER
FILTER
SUPPLY
EXHAUST
REGULATOR
ASSEMBLY
Figure 8.9 - Large Volume Option (>1000 cc's external)
PCS 400 OPTIONS
www.mensor.com 8-13

Table of Contents