EasyManua.ls Logo

Meyn 0100-5 - Machine Height Adjustment

Default Icon
58 pages
Print Icon
To Next Page IconTo Next Page
To Next Page IconTo Next Page
To Previous Page IconTo Previous Page
To Previous Page IconTo Previous Page
Loading...
Disassembly/assembly and adjustments
© Meyn Food Processing Technology B.V. 53
7.3 Adjustments with machine running
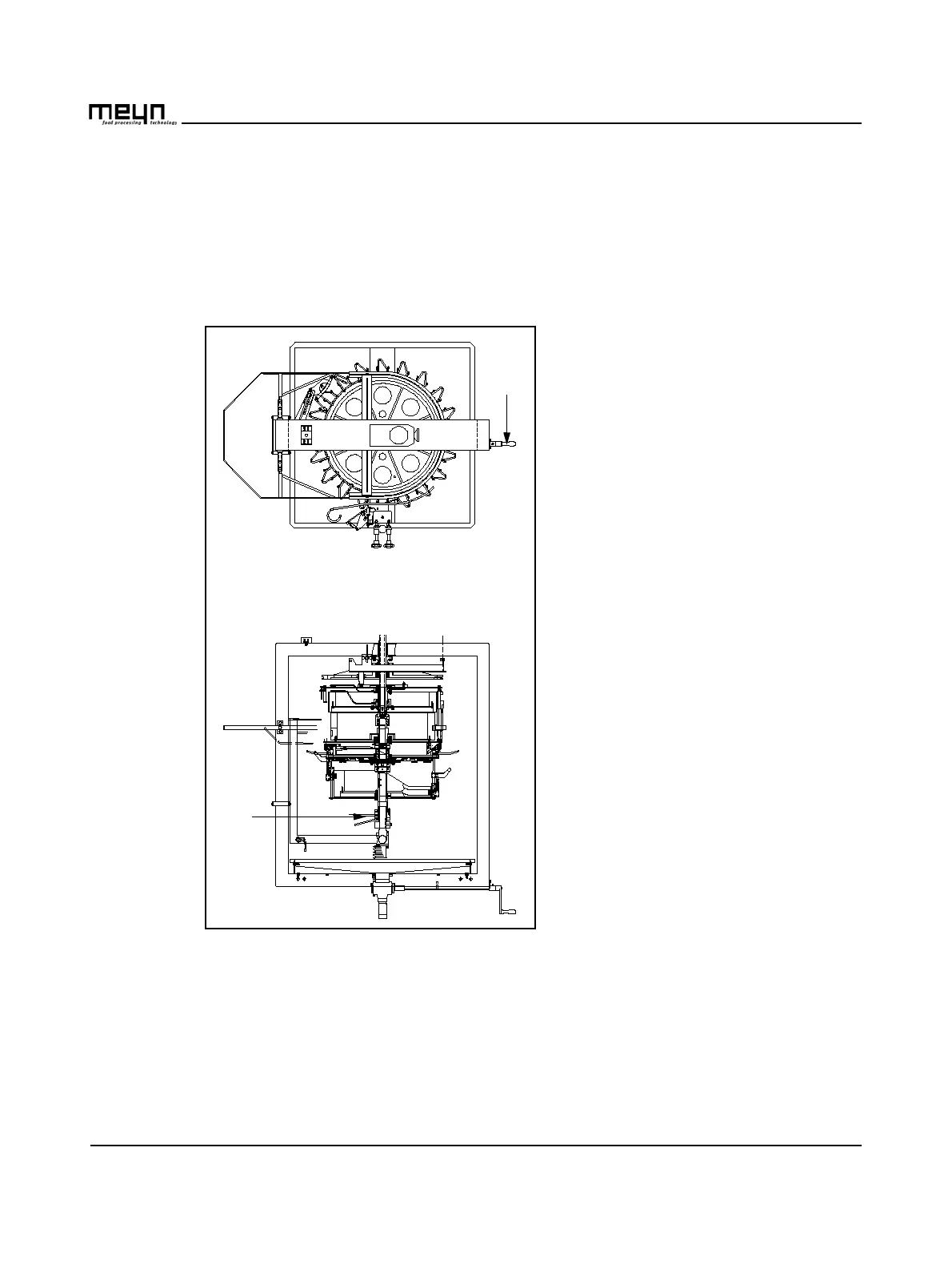
7.3.1 Height of the Machine.
The height of the machine is adjustable by using a handwheel (A). The height of the
curve is adjustable by using a capstan wheel (B).
Figure 7.29 Height adjustments.
A
B

Table of Contents