EasyManua.ls Logo

MGE UPS Systems EX-11RT - 2.8 Battery Module EXB Connection Guide

MGE UPS Systems EX-11RT
76 pages
Print Icon
To Next Page IconTo Next Page
To Next Page IconTo Next Page
To Previous Page IconTo Previous Page
To Previous Page IconTo Previous Page
Loading...
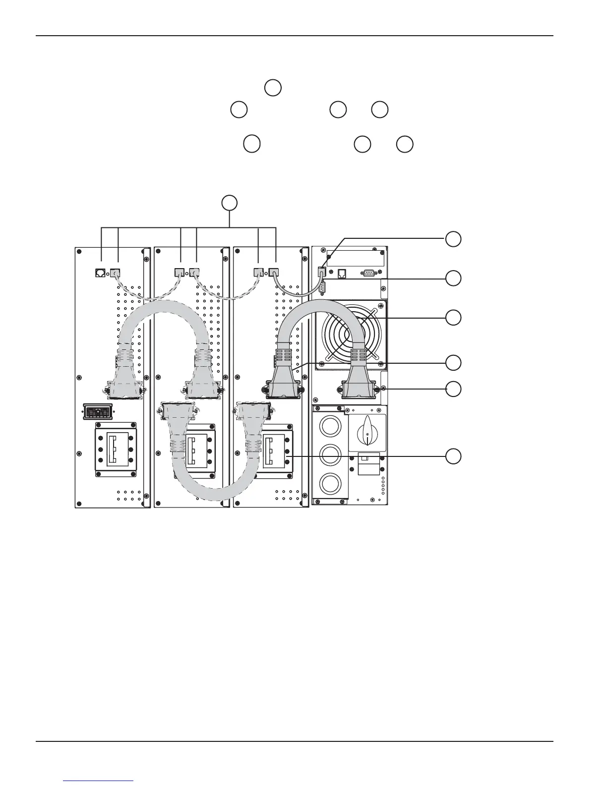
2.8 Connection of Battery Module EXB
1. Check that the battery circuit breaker (5) is OFF (“0”) position.
2. Connect the battery power cable to the connectors and of the Power and Battery
Modules.
3. Connect the battery detection cable between connectors and of the Power and Battery
Modules.
Figure 2-16: Rear view of Battery Module cable connections.
124
42
13640
14
EX 5/7/11RT Systems
Installation2 — 18 86-86000-00 B00
4
42
40
13
14
6
12

Table of Contents

Related product manuals