EasyManua.ls Logo

MHSC CDVR33 - ; Electrical Installation; Electrical Wiring

Default Icon
56 pages
Print Icon
To Next Page IconTo Next Page
To Next Page IconTo Next Page
To Previous Page IconTo Previous Page
To Previous Page IconTo Previous Page
Loading...
32 69D0023
ON
OFF
OPTIONAL REMOTE
WALL SWITCH
ON
OFF
OPTIONAL REMOTE
CONTROL
PILOT
HI
LO
ON
OFF
TH
TP
TH/TP
ON
OFF
RS
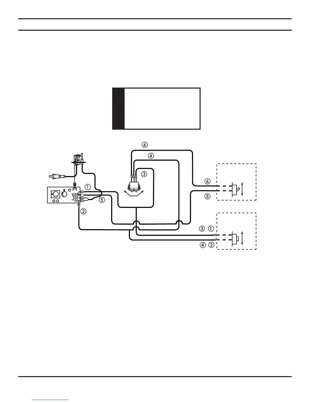
CDV Series Gas Fireplace
REMOTE WALL MOUNTED SWITCH
A remote wall switch and up to fteen (15) feet of 18 Ga. wire may be used with this appliance. Attach the wall
switch in a junction box at the desired location on the wall. Figure 43. Do not extend beyond the wall switch wire
length provided.
NOTE: 

Figure 43 - Wiring Diagram for Wall Switch
ELECTRICAL INSTALLATION
WARNING
Do not connect wall

circuit.

Table of Contents

Related product manuals