EasyManua.ls Logo

Miller Auto-Continuum 350 - Page 55

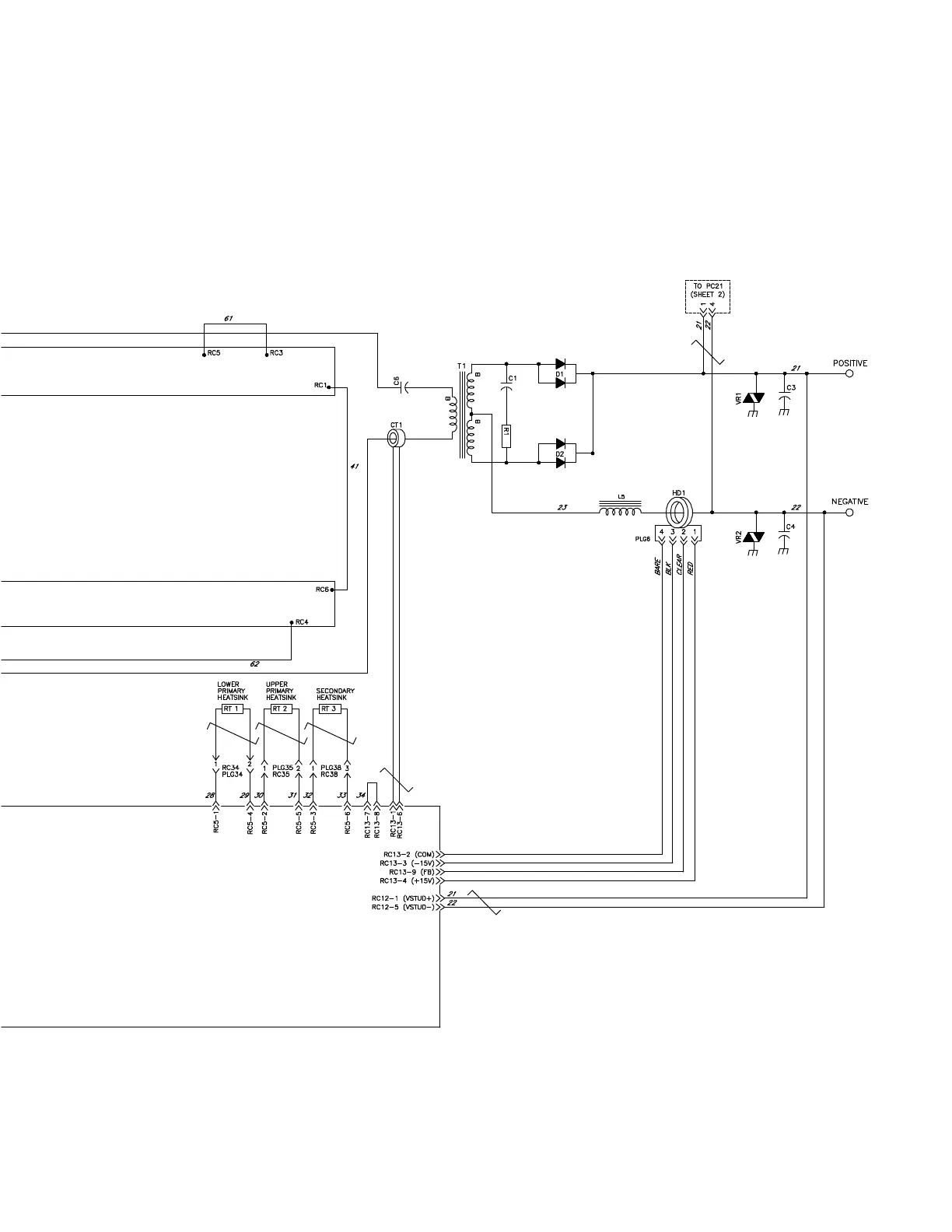
Miller Auto-Continuum 350
76 pages
Print Icon
To Next Page IconTo Next Page
To Next Page IconTo Next Page
To Previous Page IconTo Previous Page
To Previous Page IconTo Previous Page
Loading...
OM-273473 Page 51
273 905-B

Table of Contents