EasyManua.ls Logo

Mitsubishi 4G1 series - Page 69

Mitsubishi 4G1 series
99 pages
Print Icon
To Next Page IconTo Next Page
To Next Page IconTo Next Page
To Previous Page IconTo Previous Page
To Previous Page IconTo Previous Page
Loading...
4G1 ENGINE (E-W) -
Cylinder Head and Valves
11A-9-1a
PWEE9520
E
Nov. 1995Mitsubishi Motors Corporation
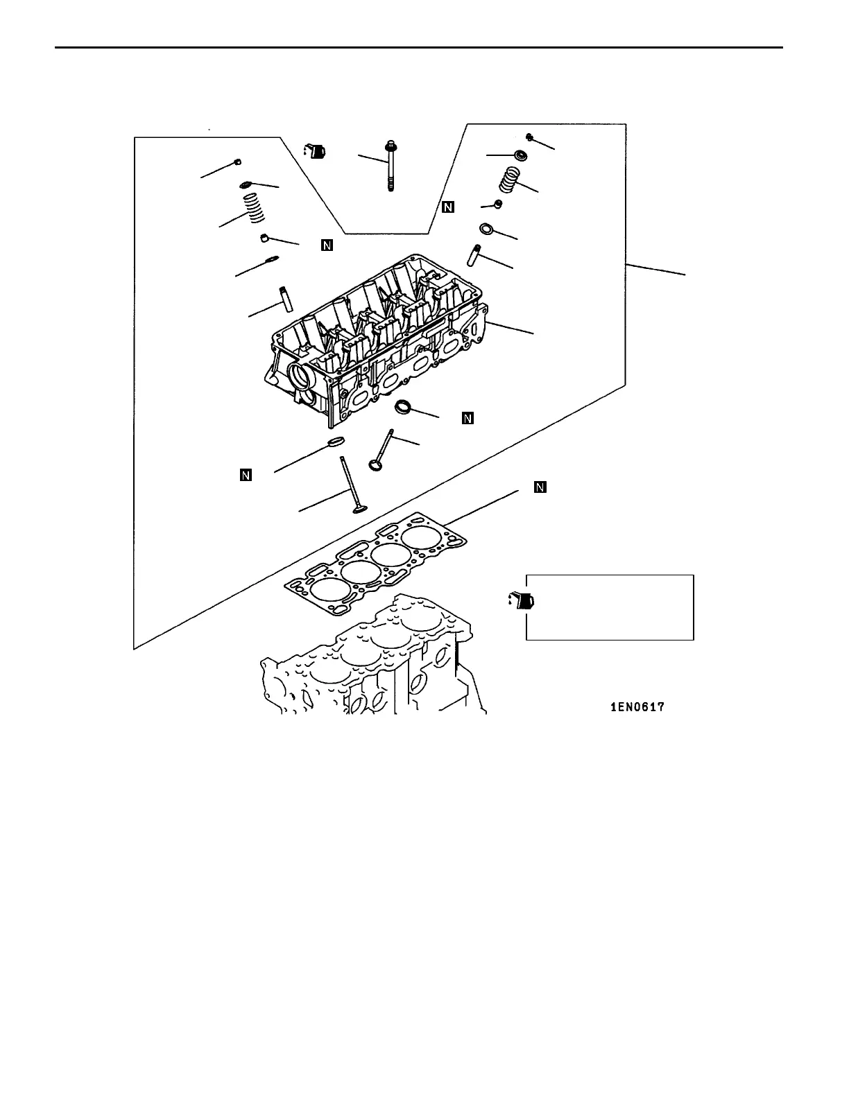
REMOVAL AND INSTALLATION <SOHC 16-VALVE>
Apply engine oil to all
moving parts before
installation.
1
2
4
5
6
14
13
17
19
7
8
12
18
16
15
11
10
9
3
20
Removal steps
A
A
""
D
A
1. Cylinder head bolt
2. Cylinder head assembly
3. Cylinder head gasket
A
B
""
C
A
4. Retainer lock
5. Valve spring retainer
"
B
A
6. Valve spring
7. Exhaust valve
A
B
""
C
A
8. Retainer lock
9. Valve spring retainer
"
B
A
10. Valve spring
11. Intake valve
A
C
""
A
A
12. Valve stem seal
13. Valve spring seat
A
C
""
A
A
14. Valve stem seal
15. Valve spring seat
16. Exhaust valve guide
17. Intake valve guide
18. Exhaust valve seat
19. Intake valve seat
20. Cylinder head
PWEE9520-A
E
Dec. 1998Mitsubishi Motors Corporation Added

Table of Contents

Other manuals for Mitsubishi 4G1 series

Related product manuals