EasyManua.ls Logo

Mitsubishi Lancer Evolution IX 2005 - Page 33

Mitsubishi Lancer Evolution IX 2005
229 pages
To Next Page IconTo Next Page
To Next Page IconTo Next Page
To Previous Page IconTo Previous Page
To Previous Page IconTo Previous Page
Loading...
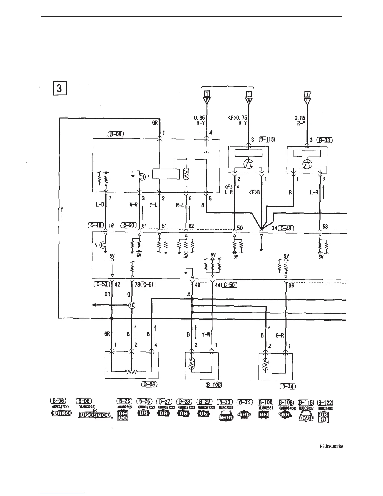
CIRCUIT DIAGRAMS - ENGINE CONTROL SYSTEM
3-30
Engine control system (continued)
Engine control relay
Air flow
sensor
Engine
ECU
•ACD (vehicle
w/out AYC)
ACD, AYC
Air pressure
sensor
Intake temp.
sensor
J/C (6)
(Engine control relay)
Exhaust cam
position
sensor
Intake cam
position
sensor
Throttle position
sensor
Coolant temperature
sensor
Air temperature
sensor

Table of Contents

Related product manuals