EasyManua.ls Logo

MTU MW15406/17E - Page 30

MTU MW15406/17E
241 pages
Print Icon
To Next Page IconTo Next Page
To Next Page IconTo Next Page
To Previous Page IconTo Previous Page
To Previous Page IconTo Previous Page
Loading...
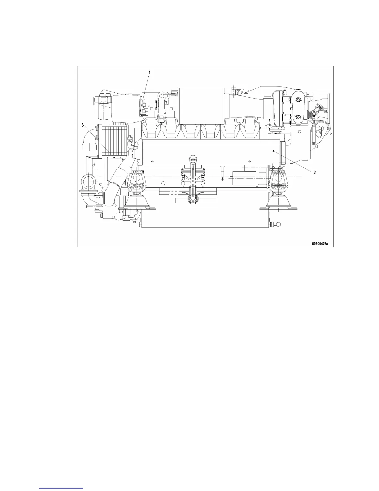
Left engine side 12V 2000 M
1 F33 (coolant level) 2 Y27 (turbocharger control
valve)
3 B21 (raw water pressure)
30 | General Information | MW15406/17E 2014-05
TIM-ID: 0000012937 - 004

Table of Contents

Related product manuals