EasyManua.ls Logo

MTU MW15406/17E - Sensors and Actuators - Overview

MTU MW15406/17E
241 pages
Print Icon
To Next Page IconTo Next Page
To Next Page IconTo Next Page
To Previous Page IconTo Previous Page
To Previous Page IconTo Previous Page
Loading...
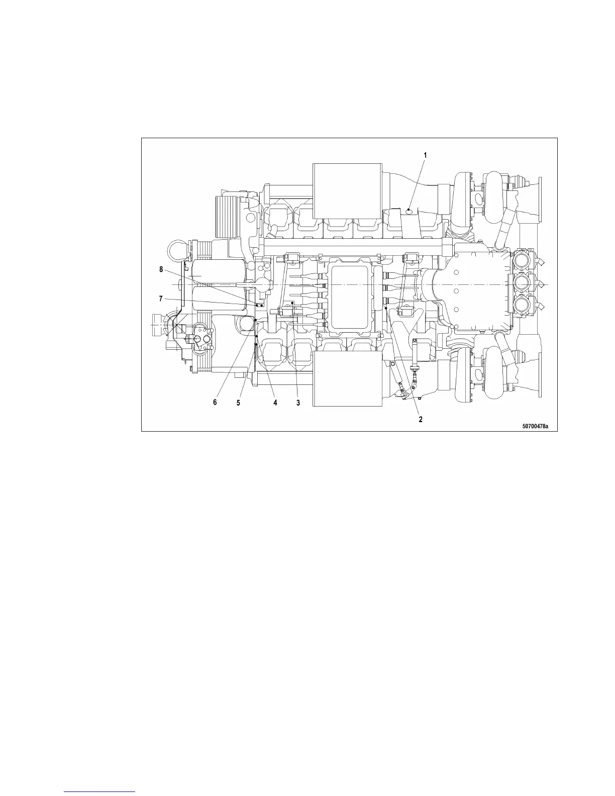
2.4 Sensors and actuators – Overview
Top view 12V 2000 M
1 B03 (intake air tempera-
ture)
2 B10 (charge-air pressure)
3 B09 (charge-air tempera-
ture)
4 B5.2 (lube oil pressure)
5 F25 (lube-oil pressure dif-
ference over filter)
6 B34 (fuel pressure after fil-
ter)
7 B07 (lube oil temperature)
8 B05 (lube oil pressure)
MW15406/17E 2014-05 | General Information | 29
TIM-ID: 0000012937 - 004

Table of Contents

Related product manuals