EasyManua.ls Logo

MULTIQUIP Rammax RX1575 - Electrical Wiring Diagram

MULTIQUIP Rammax RX1575
118 pages
Print Icon
To Next Page IconTo Next Page
To Next Page IconTo Next Page
To Previous Page IconTo Previous Page
To Previous Page IconTo Previous Page
Loading...
RX1575 SERIES TRENCH ROLLER • OPERATION MANUAL S/N 3069933~ — REV. #0 (11/29/23) — PAGE 113
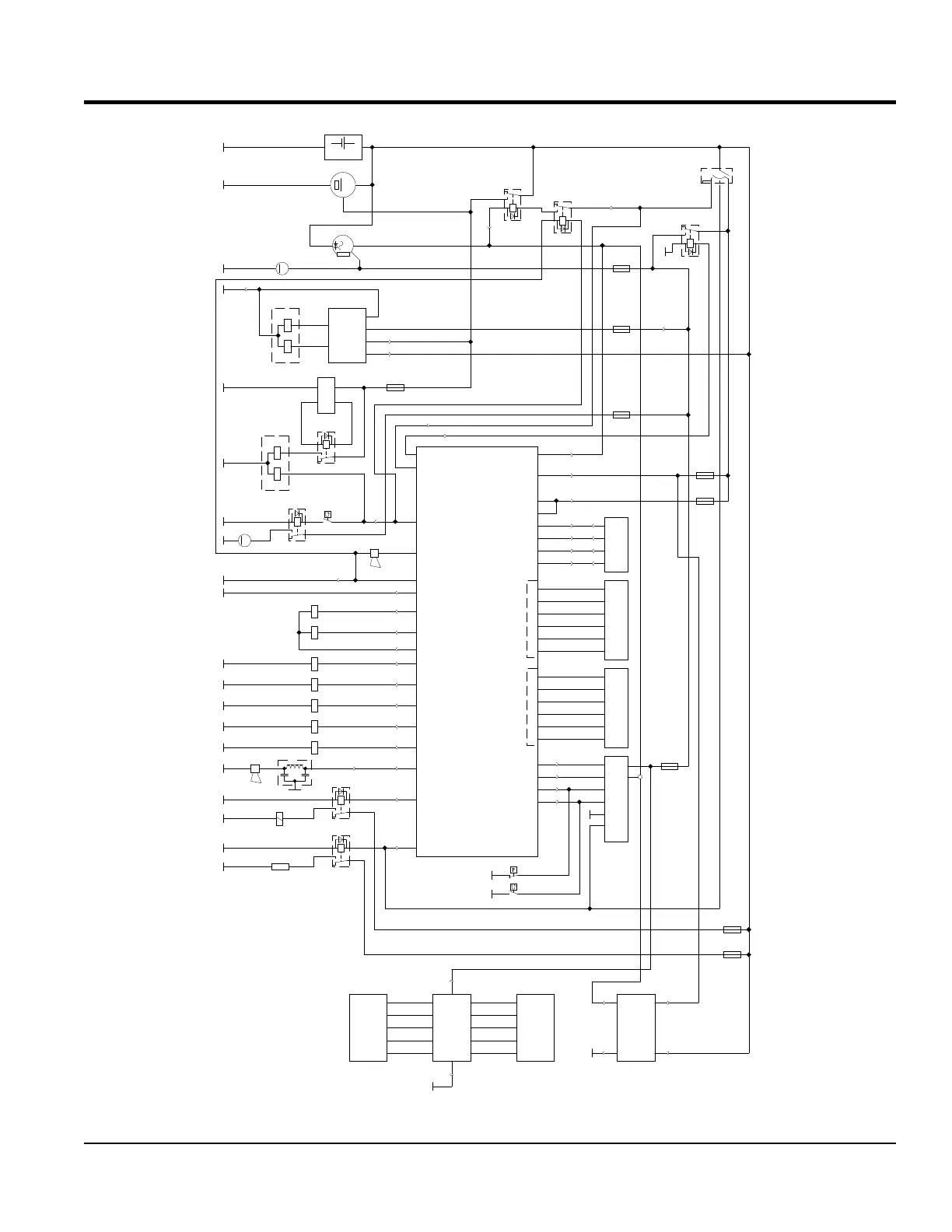
ELECTRICAL WIRING DIAGRAM
123RAMMAX1575
5
4
3
2
1
CAN L
CAN H
GND
+
5
4
3
2
1
CAN L
CAN H
GND
+
X6:1X6:2
X7:1
X7:9
X7:12
X7:2
40A
40A
GND
GND
LED GND
LED
GND
+
L
H
LED GND
LED
GND
+
L
H
24
35
2
14
25
3
15
26
4
5
28
17
10A
29
21
32
30
87
87a
86
85
30
87
87a
86
85
25A/1A
30A
7
30
X??
6
18
N1:21
N1:22
N1:27
N1:29
N1:4
N1:10
N1:11
N1:12
N1:13
N1:14
N1:15
N1:16
N1:17
N1:18
N1:9
N1:6
7
8
5
6
1
3
4
2
X8
N1:3
1
2
3
4
X4
5
6
1
2
3
4
X8
5
6
X1:1
X1:2
X1:3
X1:4
11
22
23
33
H
L
IR +
IR GND
BUS
10A
25A
12
13
30
87
87a
86
85
40A
19
8
25A
9
1
N1:19
N1:23
N1:24
N1:25
N1:26
N1:1
N1:2
N1:5
N1:7
X3:1
X3:3
40A
X3:2
30
87
87a
86
85
N1:8
X3:4
12V 77Ah
+-
30
50
IG
L
+
B-
P
30
87
87a
86
85
15/54
17
19
50a
30
87
87a
86
85
10A
30
87
87a
86
85
K2:1
K2:2
30
R1
F23
F24
A3
A1
A2
A4
S22
S21
A5
N3P1P2
Y3
Y4
Y5
Y6
Y7
Y8
Y9
M3
F13
K5
K6
Y2
C1
B1
B2
N2
M
K7
S25
F21
K11Y11
K4
Y1
F11
F12
F22
F14
F25
G2
M
M1
G1
K2.1
S1
K1
M
M2
K8
G
ShieldShield
Forward
Backwards
Steering - left
Steering - right
Large amplitude
Small amplitude
Brake
Horn
Reversing horn
pull
hold
Solenoid
Driver
pull
hold
Timer 1s
44147en
MAINTENANCE MANUAL

Related product manuals