EasyManua.ls Logo

MULTIQUIP Rammax RX1575 - Hydraulic System Wiring Diagram

MULTIQUIP Rammax RX1575
118 pages
Print Icon
To Next Page IconTo Next Page
To Next Page IconTo Next Page
To Previous Page IconTo Previous Page
To Previous Page IconTo Previous Page
Loading...
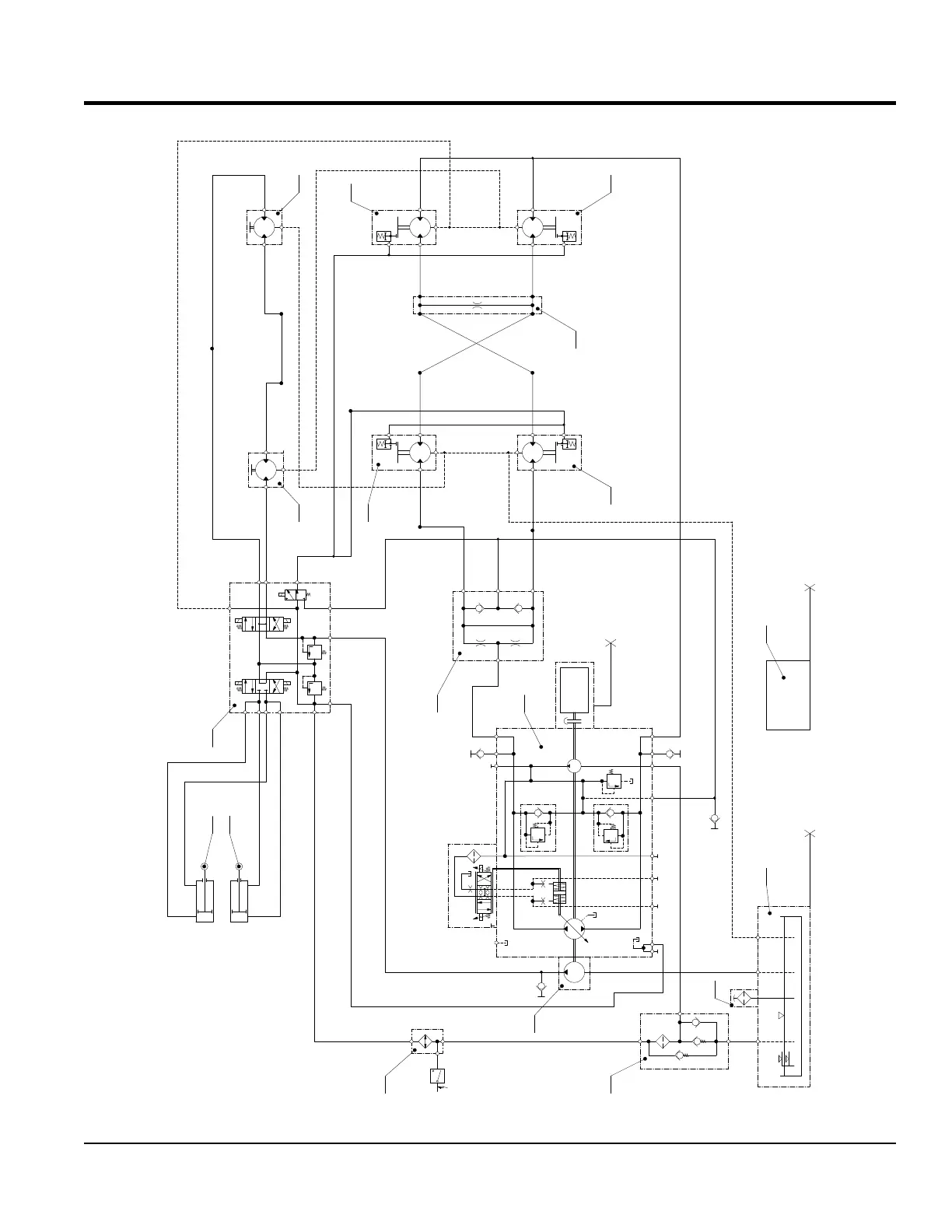
RX1575 SERIES TRENCH ROLLER • OPERATION MANUAL S/N 3069933~ — REV. #0 (11/29/23) — PAGE 115
HYDRAULIC SYSTEM WIRING DIAGRAM
125RAMMAX1575
R L
Pos 36: DN 10
Pos 10: DN 13
Pos 50: DN 10
Pos 60: DN 6
Pos 40: DN 6
Pos 52: DN 8
Pos 51: DN 8
Pos 38: DN 8
Po
s
1
Po
s
1
2
01 ND :65 soP31 ND : 61 s oP
Pos 37: DN 8
Pos 53: DN 8
Pos 39: DN 8
Pos 34: DN 8
Pos 35: DN 8Pos 31: DN 8
Pos 32: DN 8
1
:
D
N
8
:
D
N
8
R L
T
408
T
408
T
408
T
408
T
Pos 59: DN 8
Pos 58: DN 8
T
8
Pos 33: DN 8
Pos 13: DN 8
Pos 54: DN 8
Pos 55: DN 8
Pos 30: DN 10
8
TA B
1A3A
1B2B
BR
PBRPT2
T3
Pos 8: DN 8
Pos 57: DN 8
Pos 7: DN 8
Pos 14: DN 8
Pos 15: DN 8
Pos 9: D
N 10
Pos 23: DN 13
B
GT2 X1 X2
PS
Fe
S
MB
MA A
Pos 6: DN 19
Pos 22: DN 13
320
320
20
2400
rpm
P
Y3 Y4
5,6
R
18
T1
in
out
2,5 bar
0,4 bar
50/40°C
Pos 1: DN 19
Pos 5: DN 25
S25
50% 50%
60 210
B3
A2
T1
Pos 21: DN 13
Pos 2: DN 13
Pos 3: DN 13
Pos 4: DN 25
Pos 19: DN 8
Pos 20: DN 8
Pos 18: DN 8
Pos 17: DN 8
Y5
Y6
Y7
Y8
Y9
4 6
5
3
10 11
17
1
18
1614
15
2
7
8
9
11
13
12
Front right
hydromotor
Rear hydromotor
Front left
hydromotor
nozzle block
Rear right
hydromotor
Front hydromotor
Rear left
hydromotor
Fittings
Fittings
Fittings
Diesel engine
Diesel tank
Vibro-steering block
Flow divider
Travel pump
Hydraulic tank
Back-suction lter
Steering cylinder
Left
Steering cylinder
Right
Fittings
Vibro-steering
pump
Cooler
43462en
MAINTENANCE MANUAL

Related product manuals