EasyManua.ls Logo

Necta Zenith Fresh Brew Instant - Page 35

Necta Zenith Fresh Brew Instant
80 pages
Print Icon
To Next Page IconTo Next Page
To Next Page IconTo Next Page
To Previous Page IconTo Previous Page
To Previous Page IconTo Previous Page
Loading...
31
© by NECTA VENDING SOLUTIONS SpA 07-2002 148 03
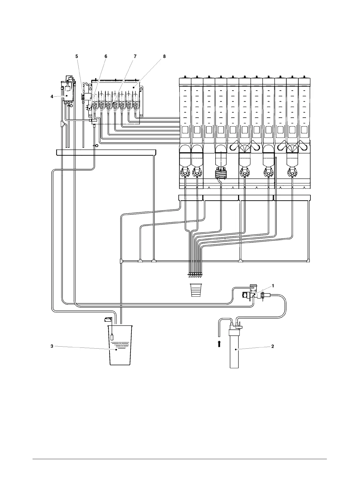
HYDRAULIC SYSTEM
Instant models
1 - Water inlet solenoid valve
2 - Everpure filter
3 - Liquid waste container
4 - Air-break
5 - Anti-boiling thermostat
6 - Safety thermostat
7 - Instant prod. solenoid valves
8 - Instant prod. boiler

Table of Contents