EasyManua.ls Logo

Neoway WM620 - Sleep Mode; Figure 3-19 Recommended Circuit between 5 V MCU and UART

Neoway WM620
46 pages
Print Icon
To Next Page IconTo Next Page
To Next Page IconTo Next Page
To Previous Page IconTo Previous Page
To Previous Page IconTo Previous Page
Loading...
WM620 Hardware User Guide
Copyright © Neoway Technology Co., Ltd
22
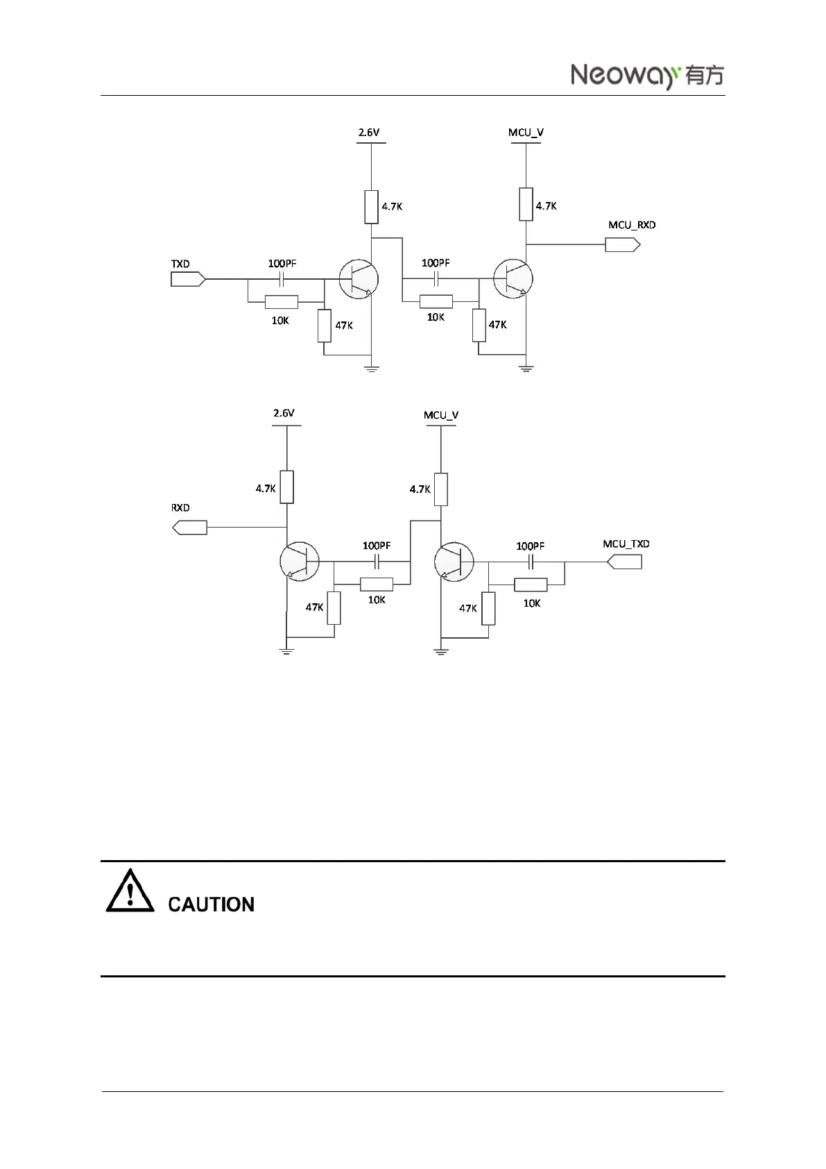
Figure 3-19 Recommended circuit between 5V MCU and UART
Reference components:
Crystal: MMBT3904 or MMBT2222. High-speed transistors are preferred.
Logic level: DTE 5 V -> DCE 2.6 V
Figure 3-19 shows the circuit between MCU TXD and RXD/TXD of the module. In the circuit, MCU_V
supplies 5 V.
Avoid spark or fault on UART during the power-on procedure of the module.
Do not send any data to UART within 5 seconds after the module is turned on.
3.6 Sleep Mode
The sleep mode of WM620 is controlled in two ways: UART and USB. The module can receive voice and
SMS message in sleep mode controlled by UART or USB. Upon receiving SMS messages, voice, or data,

Table of Contents

Related product manuals