EasyManua.ls Logo

Neoway WM620 - Page 42

Neoway WM620
46 pages
Print Icon
To Next Page IconTo Next Page
To Next Page IconTo Next Page
To Previous Page IconTo Previous Page
To Previous Page IconTo Previous Page
Loading...
WM620 Hardware User Guide
Copyright © Neoway Technology Co., Ltd
35
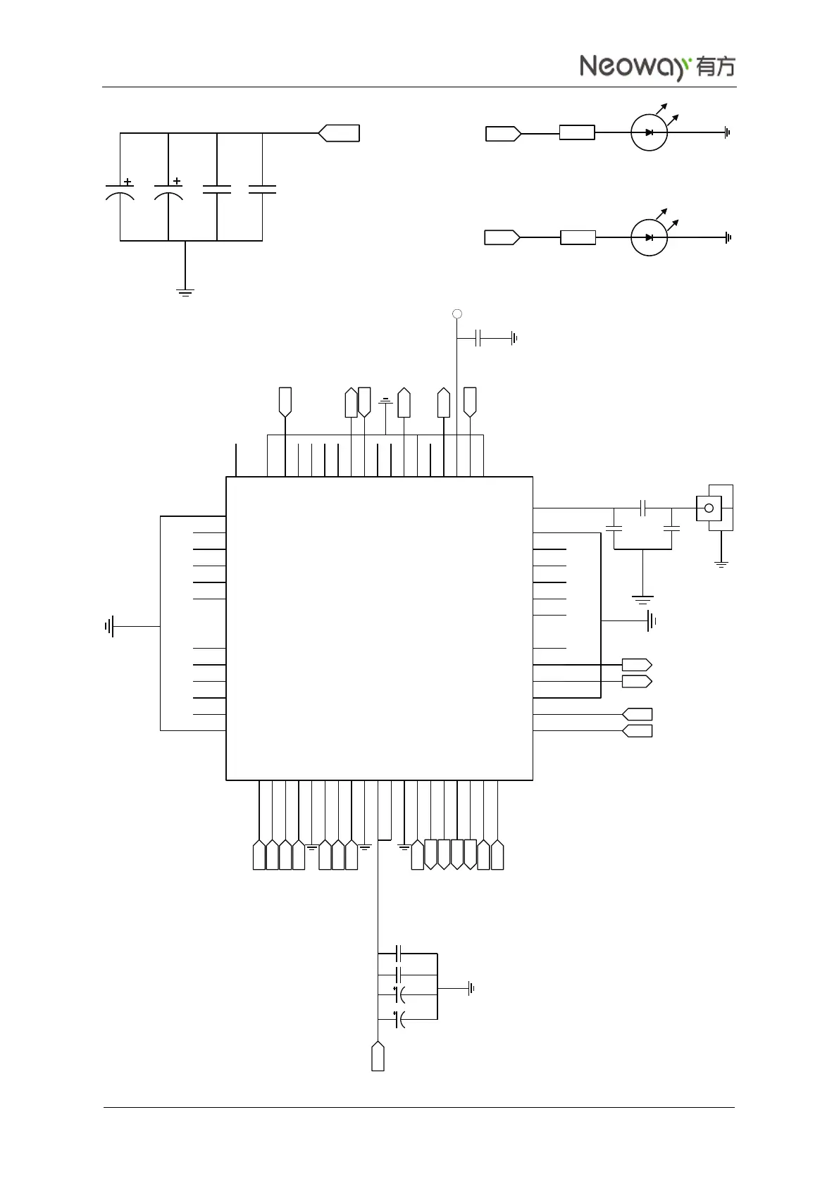
V_MAIN
C9
1000 uF
C1
100 uF
C23
0.1 uF
C2
100 pF
R18
1K
R2
1K
D4
D2
RING
SIG_LED
UIM_VCC
UIM_RST
UIM_DATA
UIM_CLK
GND
USB_D+
USB_D-
V_BUS
GND
VBAT1
VBAT2
GND
RESET
V_MSME_1.8V
V_MSMP_2.6V
EAR_1P
EAR_1N
MIC_1N
MIC_1P
MIC2_P
MIC2_N
GND
SPKR_P
SPKR_N
NC
NC
NC
NC
RF_ANT_F
NC
GND
GND
ON_OFF
SIG_LED
HKAINO
GND
RING
CTS
RTS
RXD
TXD
NC
NC
NC
SLEEP
GND
NC
NC
GND
NC
NC
NC
NC
NC
NC
NC
NC
NC
NC
GND
1
2
3
4
5
6
7
8
9
10
11
12
13
14
15
16
17
18
19
20
21
22
23
24
25
26
27
28
29
30
31
32
33
34
35
36
37
38
39
40
41
42
43
44
45
46
47
48
49
50
51
52
53
54
55
56
57
58
59
60
61
62
VCION
C17
2.0pF
C24
2.0pF
C8 100 pF
V_UIM_3V
UIM_RST
UIM_DATA
UIM_CLK
USB_D+
USB_D-
VCC5V
RESET_IN
V_MSME_1.8V
V_MSME_2.6V
EAR1P
EAR1N
MIC1_N
MIC1_P
V_MAIN
C1 1000 uF
C2 100 uF
C3 0.1 uF
C4 100 pF
MIC2_P
MIC2_N
SLEEP_IN
TXD_1
RXD_1
RING
SIG_LED
ON_OFF
C25 4.7 uF
1
2
3
4
NC
SPKR_N
SPKR_P

Table of Contents

Related product manuals