EasyManua.ls Logo

NUM 1050 M - Page 29

Default Icon
388 pages
Print Icon
To Next Page IconTo Next Page
To Next Page IconTo Next Page
To Previous Page IconTo Previous Page
To Previous Page IconTo Previous Page
Loading...
Review
en-938821/2 1 - 13
1
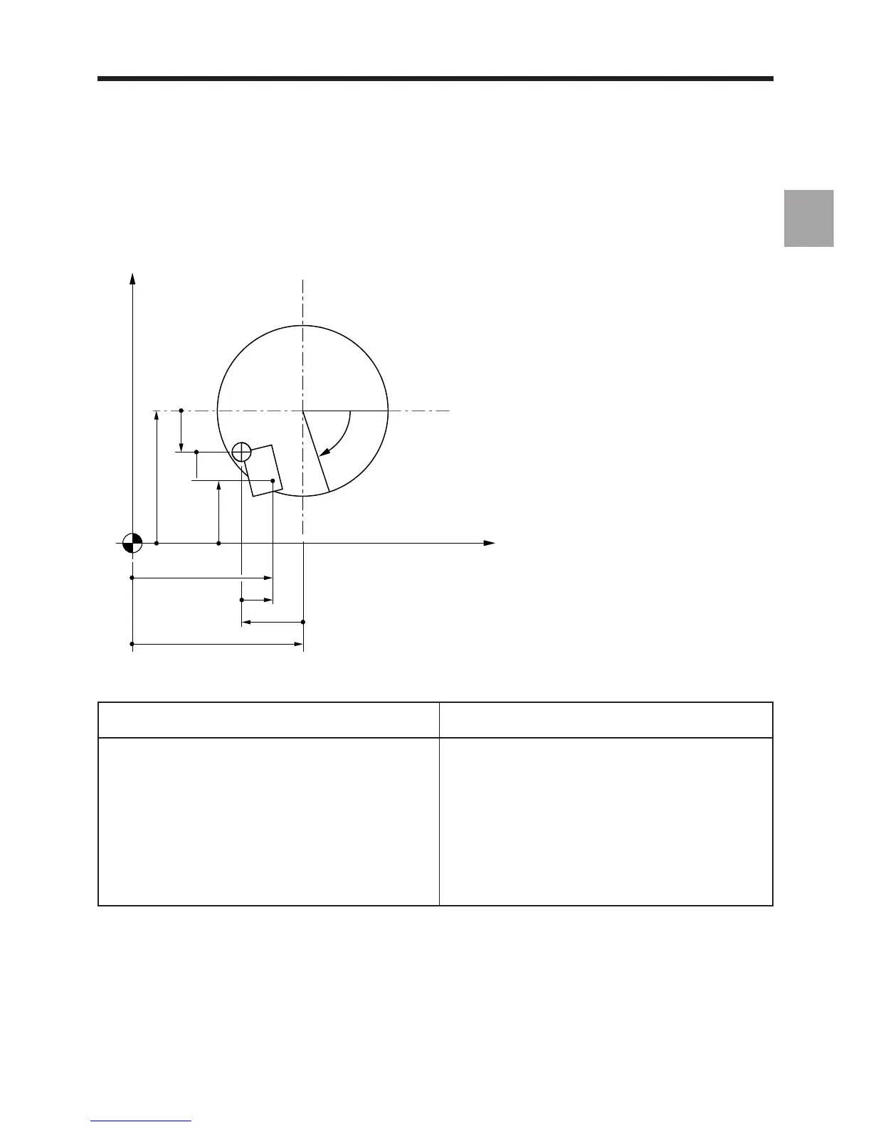
The position of any point (A) defined with respect to the programme origin (OP) is converted by the CNC into
coordinates with respect to the measurement origin (OM):
B'
OC
Z
MA
OP
OM
X
X DAT1 (+ X DAT2)
Z
X
X
PA
X
MA
Z
PA
Z
Z DAT1 (+ Z DAT2)
A
B' = –B
Programme coordinates Measurement coordinates
(with respect to OP) (with respect to OM)
X
PA
X
MA
= X
PA
+ X DAT1 (+ X DAT2) + X
with
X = X DAT3 x cos B - Z DAT3 x sin B
Y
PA
Y
MA
= Y
PA
+ Y DAT1 + Y DAT2
Z
PA
Z
MA
= Z
PA
+ Z DAT1 (+ Z DAT2) + Z
with
Z = Z DAT3 x cos B + X DAT3 x sin B

Table of Contents

Related product manuals