EasyManua.ls Logo

Omicron CP TD12 - Page 54

Omicron CP TD12
65 pages
Print Icon
To Next Page IconTo Next Page
To Next Page IconTo Next Page
To Previous Page IconTo Previous Page
To Previous Page IconTo Previous Page
Loading...
CP TD12/15 User Manual
54 OMICRON
Most manufacturers list the UST dissipation factor and capacitance values on the bushing nameplate.
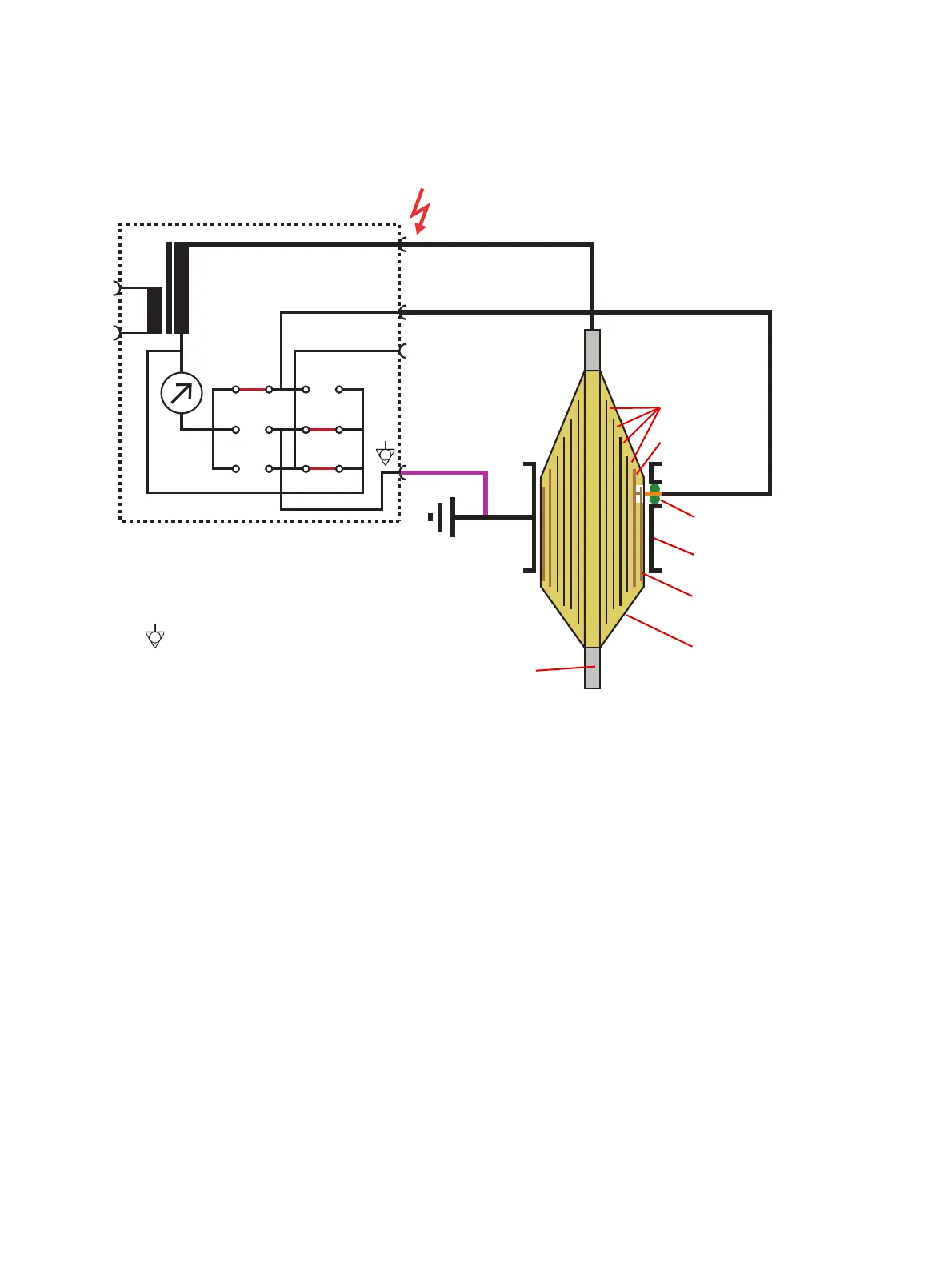
Figure 6-2: UST-A bushing test (C
1
)
When bushings with capacitance or potential taps rated at 110 kV and above are tested by the
ungrounded test specimen method, a separate dissipation factor test on the tap insulation should be
performed as well.
For capacitance or potential taps, tests are performed at a voltage between 500 and 1,000 volts. The tap
is energized with the bushing center conductor and flange grounded. The dissipation factor of a
capacitance or potential tap will generally be of the order of 1.0 percent or less. Routine tap insulation
tests are not normally recommended for bushings that are rated 69 kilovolts and below with dissipation
factor taps. However, a dissipation factor test of the tap insulation should be performed when UST
results are questionable or visual examination indicates the dissipation factor tap's condition is
questionable. This test procedure is similar to that used earlier for capacitance taps. In such cases, the
maximum permissible test potentials should be limited to those given in the appendix or as
recommended by the bushing manufacturer. The dissipation factor value of the dissipation factor tap
insulation for most of the bushings discussed earlier is generally in the order of 1.0 percent or less.
Equalizers
C
1
Layer
Voltage tap
Mounting flange
C
2
layer (always
grounded to flange)
Paper insulation
IN A
IN B
Main conductor
Measurement ground

Table of Contents

Related product manuals