EasyManua.ls Logo

Omron DST1-ID12SL-1 - Page 123

Omron DST1-ID12SL-1
182 pages
To Next Page IconTo Next Page
To Next Page IconTo Next Page
To Previous Page IconTo Previous Page
To Previous Page IconTo Previous Page
Loading...
99
DST1-MD16SL-1 Section 5-2
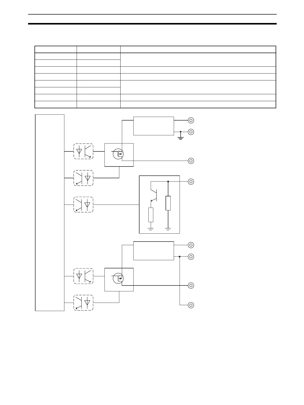
The following table shows the terminal arrangement of the terminal blocks on
the DST1-MD16SL-1.
IMPORTANT Power supply terminal V1 for the outputs is internally monitored. Supply the
voltage in the specified range (20.4 to 26.4 VDC). If the voltage is supplied
outside this range, voltage will not be supplied to the output circuits.
Terminals Names Functions
1,2 V0 Power terminals for the input devices and test outputs. (24 VDC)
11,12 G0
3 to 10 IN0 to IN7 Terminals for safety inputs
13 to 20 T0 to T3 Terminals for test outputs
21, 22 V1 Power terminals for the output devices. (24 VDC)
31, 32 G1
23 to 30 OUT0 to OUT7 Terminals for safety outputs
33 to 40 G1 Common terminals. Terminals 31 to 40 are internally connected.
I/O Power Supply
Circuit
Internal
Circuit
Test Output Circuit
Safety Input Circuit
V0
V0+
G0
T0...T3
IN0...IN7
I/O Power Supply
Circuit
Safety Output Circuit
V1
V1+
G1
OUT0
...OUT7
G1

Table of Contents

Related product manuals