EasyManua.ls Logo

Panasonic SA-PM4E - Page 48

Panasonic SA-PM4E
68 pages
Print Icon
To Next Page IconTo Next Page
To Next Page IconTo Next Page
To Previous Page IconTo Previous Page
To Previous Page IconTo Previous Page
Loading...
B1
B3
B4
3.3V
CD_LCH
C302
1000P
1000PC301
CD_RCH
1KR851
R850
1K
10KR856
4.7KR843
10KR869
10KR854
1K
R839
100P
C853
6.3V1000
C840
B0ACCK000005
D800
C838
47P
B0ACCK000005
D801
0
R806
G0C3R3JA0027
L801
G0C3R3JA0027
L800
C839
6.3V1000
R844 1K
1K
R849
R834 100
R832 100
R833 100
1KR848
22K
R837
R853 1K
TOP_OPEN_SW
REST_SW
VREF+
220P
C857
100R871
2.2KR801
1KR805
C844
50V1
MBP1
C858
0.1
3
12
45
IC802
C0EBE0000455
RESET IC
Q802, Q803
2SD1819A0L
MICRO-P BEATPROOF SWITCH
Q802
C856
1000P
MBP2
3.3K
R867
R866 3.3K
Q803
C855
1000P
4.7KR868
1KR836
220PC847
220PC848
2.7K
R827
R800 1K
R820
10K
100R823
KEY1
KEY2
R818
4.7K
R819
15K
4.7K
R872
100R840
C824
220P
100
R824
10K
R865
DC_DET
4700P
C851
C821
560P
C820
560P
C819
0.1
C829
39P
C854
56P
R873 4.7K
R847
100
100
R862
220kR829
X802
X802
H0A327200100
X801
X801
H4Z8004AA001
56PC850
18PC835
100
R838
18P
C836
R828
1M
C830 56P
100
R846
VREF+
C859 0.1
FL_DATA
FL_DATA
FL_CLK
10K
R870
2
4
3
1
6
5
CN800
MICONRST
FL_CLK
PCONT1
R842 4.7K
100P
C843
0.1
C831
D_LOCKDET
100P
C803
RMT
79
77
76
78
49
47
48
50
74 7172 6768 56 5558 57 52
51
54 53
6566 61
62
59
6064
63
70 6973
75
10879 1211
99
100
95
94
96
97
90
91
89
93
92
98
4
652
1
3
81
82
80
86
87
88
84
83
85
45
1917
1514 16 18
43
232120
22
41
24
39
37
33
35
34
29
30
27
26
28
32
31
36
38
25
40
42
44
13
46
VOL_JOG1
VOL_JOG2
PLL_CE
100
R817
C818 560P
C817 560P
100
R816
PLL_CLK
100R303
100R302
0W474
1000P
C304
1.5K
R317
R305 100
100R304
R306
100
100
R316
1
2
CP800
1000PC303
6
5
8
9
11
12
10
14
15
13
7
2
1
4
3
17
17
1
1
17
16
CN301
CD_RST
REST_SW
Q303
B1ADCF000063
LOADING SWITCH
Q303
STAT
CD_MLD
CD_MCLK
7.5V
CD_MDATA
BLKCK
TOP_OPEN_SW
GND
16V10
C816
470KR815
FL_CS
D802
B0ACCK000005
MBP1
GND
MBP2
D_MPUTX
D_MPUCLK
C801
16V100
2
13
IC801
C0CAABC00007
3.3V REGULATOR IC
C800
VSS
VINVOUT
6.3V100
D803
B0BC4R600016
D804
B0BC01000014
R802
2.2K
Q800
B1AAJC000019
VOLTAGE REGULATOR
BLKCK
ASP_DATA
CD_MLD
CD_MCLK
STAT
CD_MDATA
CD_RST
ASP_CLK
PLL_DO
PLL_DI
MUTEA
VCCDET
DAB_DDOWFIC
(AGND)GND
TOP_OPEN_SW
CD_RST
BLKCK
STATUS
LOADING
REST_SW
GND
(PGND)GND
(DGND)GND
MLD
PGND
TX
MCLK
CD_DGND
CD_L
AGND
CD_R
CD_3.3V
CD_7.5V
LD_SW/CLDCK
MDATA
VREF
MMOD
MICONRST
OUT
CD
VSS
VREF-
VDD
NC
VSS
OCD_SCL
OCD_SDA
STBY_3.3V
SYS3.3
NC
NC
KEY1
NC
VDD
VSS
KEY2
NC
NC
NC
NC
NC
NC
NC
NC
REST_SW
CD_OPEN_SW
NC
NC
NC
NC
NC
DCDET
REGION
VREF+
CD_MLD
NC
CD_MCLK
NC
NC
CD_RST
NC
NC
ASP_DATA
DEMO_SET
PLL_DI [50]
PLL-DO [49]
MODEL_SEL [48]
NC
1.8V
VSS
MUTEA
ASP_CLK
VCCDET
VACD_MDATA
NC
DAB_IRQ
DAB_DDOWFIC
STAT
BLKCK
IC800
MN101EF16ZXW
MICROPROCESSOR
NC
NC
VOLJOG2
NC
PLL_CLK
PLL_CE
VOLJOG1
NC
NC
NC
NC
NC
MBP1
VSS
MBP2
FL_STROBE
CRTIMER
DAB_PCONT [24]
RMT [25]
NC
NC
NC
NC
OSC1(8MHz)
VSS
XI(32kHz)
NRST
3.3V
INTERNAL1.8V
XO(32kHz)
NC
NC
NC
NC
NC
FL_DATA / OCD_SDA
NC
MMOD
FL_CLK / OCD_SCL
[01] PCONT1
[02] PCONT2
OSC2(8MHz)
[75] NC
RDS_DATA
NC
NC
NC
RDS_CLK
NC
NC
W472 0
W464 0
1234567891011121314
I
J
L
M
N
P
O
K
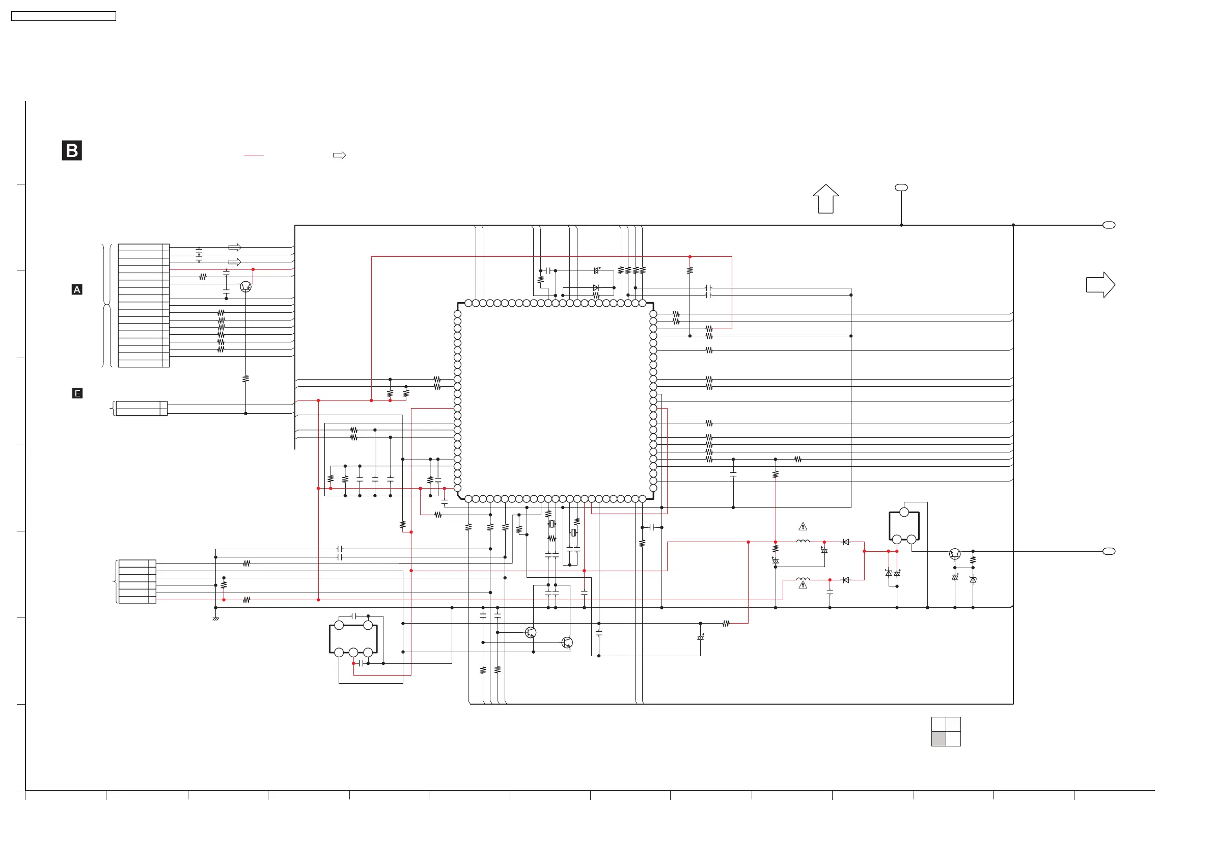
SCHEMATIC DIAGRAM - 4
SA-PM4E/EB/EG MAIN CIRCUIT
3/4 4/4
1/4 2/4
TO MAIN
SECTION (4/4)
TO MAIN
SECTION (1/4)
MAIN CIRCUIT
: + B SIGNAL LINE
FOR SOFTWARE
DOWNLOADING
TO
CD SERVO
CIRCUIT
(CN7002) ON
SCHEMATIC
DIAGRAM-1
TO
CD EJECT
CIRCUIT (W400)
ON SCHEMATIC
DIAGRAM-7
: CD SIGNAL LINE
SA-PM4E / SA-PM4EB / SA-PM4EG
48

Table of Contents

Related product manuals