EasyManua.ls Logo

Panasonic SA-PM4E - Page 49

Panasonic SA-PM4E
68 pages
Print Icon
To Next Page IconTo Next Page
To Next Page IconTo Next Page
To Previous Page IconTo Previous Page
To Previous Page IconTo Previous Page
Loading...
B3
B4
DC_DET
R655
2.7K
1
3
2
JW601
R651
82
1K
R650
C656
0.1
R657
33
C657
16V22
C659
0.1
D657
D656, D657
B0EAKM000117
D656
D650
B0BC8R100004
C654
0.1
D653
B0EAKM000117
C655
50V2.2
0.01
C652
Q652
B1AAJC000019
5V REGULATOR
312
45
IC651
C0DBZGC00067
3.3V REGULATOR IC
IC651
R652
82
C650
0.01
Q651
B1AAJC000019
7.5V REGULATOR
B0BC5R600003
D651
C653
25V10
2
13
IC652
C0CAABC00007
3.3V REGULATOR IC
C651
16V22
Q653
2SD1819A0L
VCC DET SWITCH
R654
27K
R653
1K
C658
25V3300
GND
A9V
14
2
3
IC650
C0DAZYY00016
9V REGULATOR IC
7.5V
VCC
3.3V
D5V
VCCDET
FL3.3V
3
12
B0ADCJ000020
D652
PCONT1
12
IP800
K5G251A00008
0.25A
GND1
VAC
AMP_VCC1
(PGND)
Vin
Vstdby GND
CD3.3VNC
OUT
VCC
GND
CTL
VREF-
AGND
DGND
TGND
VSS
VINVOUT
W469 0
15 16 17 18 19 20 21 22 23 24 25 26 27 28
I
J
L
M
N
P
O
K
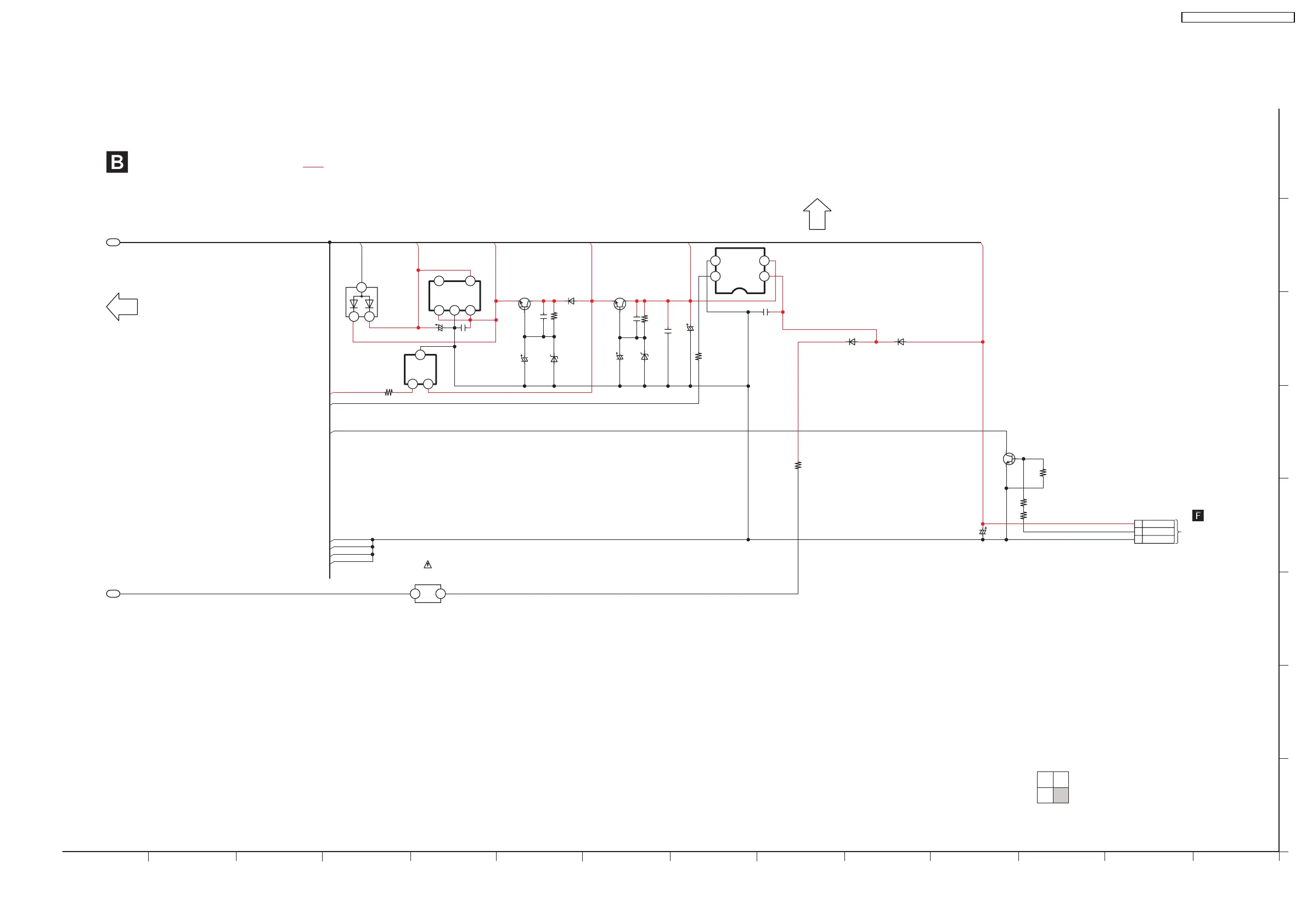
SCHEMATIC DIAGRAM - 5
SA-PM4E/EB/EG MAIN CIRCUIT
3/4 4/4
1/4 2/4
TO MAIN
SECTION (3/4)
TO MAIN
SECTION (2/4)
MAIN CIRCUIT
: + B SIGNAL LINE
TO
TRANSFORMER
CIRCUIT (CN650)
ON SCHEMATIC
DIAGRAM-8
SA-PM4E / SA-PM4EB / SA-PM4EG
49

Table of Contents

Related product manuals