EasyManua.ls Logo

Panasonic SA-PT560E - Page 104

Panasonic SA-PT560E
159 pages
Print Icon
To Next Page IconTo Next Page
To Next Page IconTo Next Page
To Previous Page IconTo Previous Page
To Previous Page IconTo Previous Page
Loading...
A
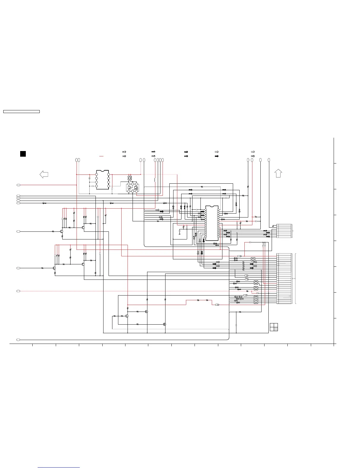
DVD MODULE (DV5) CIRCUIT
SCHEMATIC DIAGRAM - 4
1/4 2/4
3/4 4/4
SA-PT560E/EB/EG
DVD MODULE (DV5) CIRCUIT
TO DVD MODULE (DV5)
SECTION (2/4)
: DVD AUDIO SIGNAL LINE
: DVD VIDEO SIGNAL LINE
: +B SIGNAL LINE : DVD HEAD SIGNAL LINE
: DVD RF SIGNAL LINE
: MOTOR DRIVE SIGNAL LINE
: CD HEAD SIGNAL LINE
: TRACKING ERROR SIGNAL LINE
: FOCUS ERROR SIGNAL LINE
: USB SIGNAL LINE
: MAIN SIGNAL LINE
TO TRAVERSE / SPINDLE
TO OPTICAL PICKUP UNIT
15 16 17 18 19 20 21 22 23 24 25 26 27 28
I
J
L
M
N
P
O
K
0
R8538
0
R8539
10K
R8536
100K
R8535
0
R8537
10K
R8534
0
R8533
TO DVD MODULE (DV5)
SECTION (3/4)
6
7
5
2
4
3
8
1
22
R8564
47K
R8568
0.1C8561
R8563
1K
R8567 51
R8566 56
2.2
R8565
C8563
6.3V47
R8261
82K
82K
R8263
C8258
0.1
16V47
C8257
R8251 6.8
R8252
10K
LB8432
0
C8255
16V22
C8256
0.1
0.1
C8262
3
5
4
2
7
6
FP8251
K8251
R9099
0
0
R8262
15K
R8264
15K
0.1
C8261
TRDRV
FODRV
LDCNT
C8251
6.3V220
0.1
C8252
0.1
C8253
1
2
3
4
5
6
7
8
9
29 30
10
11
14
12
13
19
20
21
22
23
24
25
26
27
28
18
15
17
16
MOTOR DRIVE
C0GBG0000048
IC8251
231
546
POWER CONTROL
XP0621400L
QR8111
SPMUTE
SPMUTE
TRV_DRV
SP_DRV
TRVFTMUTE
4
2
1
3
D1H422320002
RX8111
C8112
1
D+3R3V
C8113
470P
L8550
G1C100M00049
6.3V33
C8550
C8111
0.1
68
R8554
R8553 1K
R8532
2.2K
C8532
220P
VIN6
VIN5
C8530
0.1
C8533
0.1
LB8551 J0JDC0000045
LB8532 J0JDC0000045
0LB8531
D1H456020001
RX8533
C8531
100P
LB8561 J0JDC0000045
1.5KR8531
LB8530
J0JHC0000045
RX8534
D1H456020001
4
2
1
3
4
2
1
2
1
3
4
3
D1H456020001
RX8531
VIN4
VIN3
VIN2
VIN7
VIN1
VIN8
LB8258 0
LB8260 0
LB8571
J0JDC0000045
5
7
1
3
6
8
2
4
D1H85604A043
RX8532
0LB8257
LB8259 0
R8540 0
B1CFHA000002
Q8563
B1CFHA000002
Q8564
2SD1819A0L
Q8565
DVD_CD
47K
R8558
15K
R8559
C8572
0.1
C8571
10
TRVFTMUTE
20
19
22
2
1
18
3
1
3
1
1
12
16
15
17
1
4
5
4
8
7
1
0
9
6
25
2
6
23
2
4
1
2
FP8531
0.1C8551
2.2
R8555
6.3V47
C8553
LD DRIVE
Q8552
B1ADGB000008
LD DRIVE
Q8562
B1ADGB000008
R8557 51
56
R8556
D+3R3V
R8562
1K
R8552
1K
C8554 1
C8552
16V10
0
R8551
C8562
16V10
C8564
1
LD DRIVE
2SD1819A0L
Q8551
LD DRIVE
2SD1819A0L
Q8561
0
R8561
RFINP
RFINN
LPC1
LPC2
NC
E1/e
2+
f2
LD
GND
P
D G
N
D
L
DC
D
+
E2/e
3+f3
T
-
S
W
F1
/e
1
+F1
HF
M
RF+
V
RE
F
B
/b
D/d
F+
PIN
(D
VD/C
D)
F
2/e
4
+f4
C
/c
A/a
RF
-
DVD
IN
-G
ND
L
DD
VD
+
C
DIN
-G
N
D
T
+
F-
VC
C
MUTE4
FIN
LDIN
VIN3
VCC
[CH3,4]
M+9V
VO4-
VO4+
VO3+
VO3-
GND
[CH3,4]
PREVCC
LDCNT
TRIN
MUTE3
BIAS2
INNER_SW
UNLOAD_SW
1
DGND
SP-
TR-
SP+
MGND
TR+
OPIN-
OPIN+
VO2-
VO1+
VO2+
VO1-
FIN
OPOUT
GND
[CH1,2]
MUTE12
VCC
[CH1,2]
D+5V
BIAS1
VIN2
VIN1
OPIN-
OPIN+
GND
[PRE]
PIN_23
PIN_26
PIN_27
MGND
DGND
PIN_9
VO
VIN
CN
NC
NC
CONT
TRV_INNER_SW
GND
NC
IC8111
+3.3V DC-DC CONVERTER
C0DBZYY00018
VREFH
CN
CO
CP
CQ
CR
CS
CT
CU
32
25
26
27
28
29
30
31
24
CV
CX
CY
CW
S
D
SWITCH
SWITCH
INVERTER
G
S
D
G
0
K8571
HD: DVD MODULE (HDMI): SCHEMATIC DIAGRAM - 5
DV: DVD MODULE (DV5): SCHEMATIC DIAGRAM 1 - 4
SA-PT560E / SA-PT560EB / SA-PT560EG
104

Table of Contents

Related product manuals