EasyManua.ls Logo

Panasonic SA-PT560E - DVD (Servo)

Panasonic SA-PT560E
159 pages
Print Icon
To Next Page IconTo Next Page
To Next Page IconTo Next Page
To Previous Page IconTo Previous Page
To Previous Page IconTo Previous Page
Loading...
17.2. DVD (Servo)
4
-
FP8251
5
-
FP8251
MOTOR
SPINDLE
M
6
-
FP8251
7
-
FP8251
3
-
FP8251
46
FP8101 CN2001
47
FP8101 CN2001
LDIN
CH3
CH3
VCC2-Vf
2
2
VCC2-Vf
CH4
CH4
-
+
2
VCC1
CH2
CH2
CH1
CH1
OPIN+
OPIN-
4
5
+
-
MOTOR
TRAVERSE
INNER SW
TRAVERSE
M
BIAS2
+
-
LDIN
24
25
1
VO3-
18
+
-
VO3+
17
+
-
SHIFT
LEVEL
VO4-
16
+
-
VO4+
15
-
+
-
+
-
+
SHIFT
LEVEL
+
-
BIAS1
SHIFT
LEVEL
SHIFT
LEVEL
-
+
-
+
-
+
-
+
VO2-
VO2+
VO1-
VO1+
OPOUT
VIN3
VIN1
VIN2
TRIN
OPTICAL PICKUP UNIT
FP8531
F-
FP8531
HFM
COIL
FOCUS
FP8531
F+
ACTUATOR
HFM
COIL
TRACKING
FP8531
T-
T+
8
6
7
5
16
FP8531
(CD)
DIODE
LASER
(DVD)
DIODE
LASER
PDIC
11
12
13
14
AD1
6
122
66
23
DRV1
80
28
TRCDATA3
LDCNT
PWM1
2
126
127
3
PWM0
DRV0
26
67
VHALF
110
MOTOR DRIVE
48
27
MUTE
CH3
P3
P4
MUTE
CH1,2
9
49
LPC2
LPCO2
LPC1
LPCO1
RFINP
RFINN
VIN10
VIN9
VIN8
VIN7
VIN6
VIN5
VIN4
VIN3
VIN2
VIN1
105
FP8531
PIN(DVD/CD)
103
9
LD DRIVE
12
106
LDCD+
SW
DVDIN-GND
CDIN-GND
FP8531
Q8561,Q8562
INVERTER
Q8565
SWITCH
Q8563
SWITCH
Q8564
LD DRIVE
Q8551,Q8552
FP8531
LDDVD+
104
14
FP8531
22
FP8531
10
FP8531
11
18
96
RF+
FP8531
FP8531
RF-
95
19
111
VREF
109
112
23
116
FP8531
FP8531
115
24
4
114
FP8531
3
FP8531
E1/e2+f2
E2/e3+f3
F2/e4+f4
F1/e1+f1
20
FP8531
VREF
113
118
A/a
FP8531
26
D/d
117
17
FP8531
15
FP8531
C/c
119
B/b
25
FP8531
DV5.0 LSI
120
DQM2
191
20
MUTE
CH4
CNT
DVD CD
77
D+3.3V
IC8001
IC8251
MN2DS0018MP
C0GBG0000048
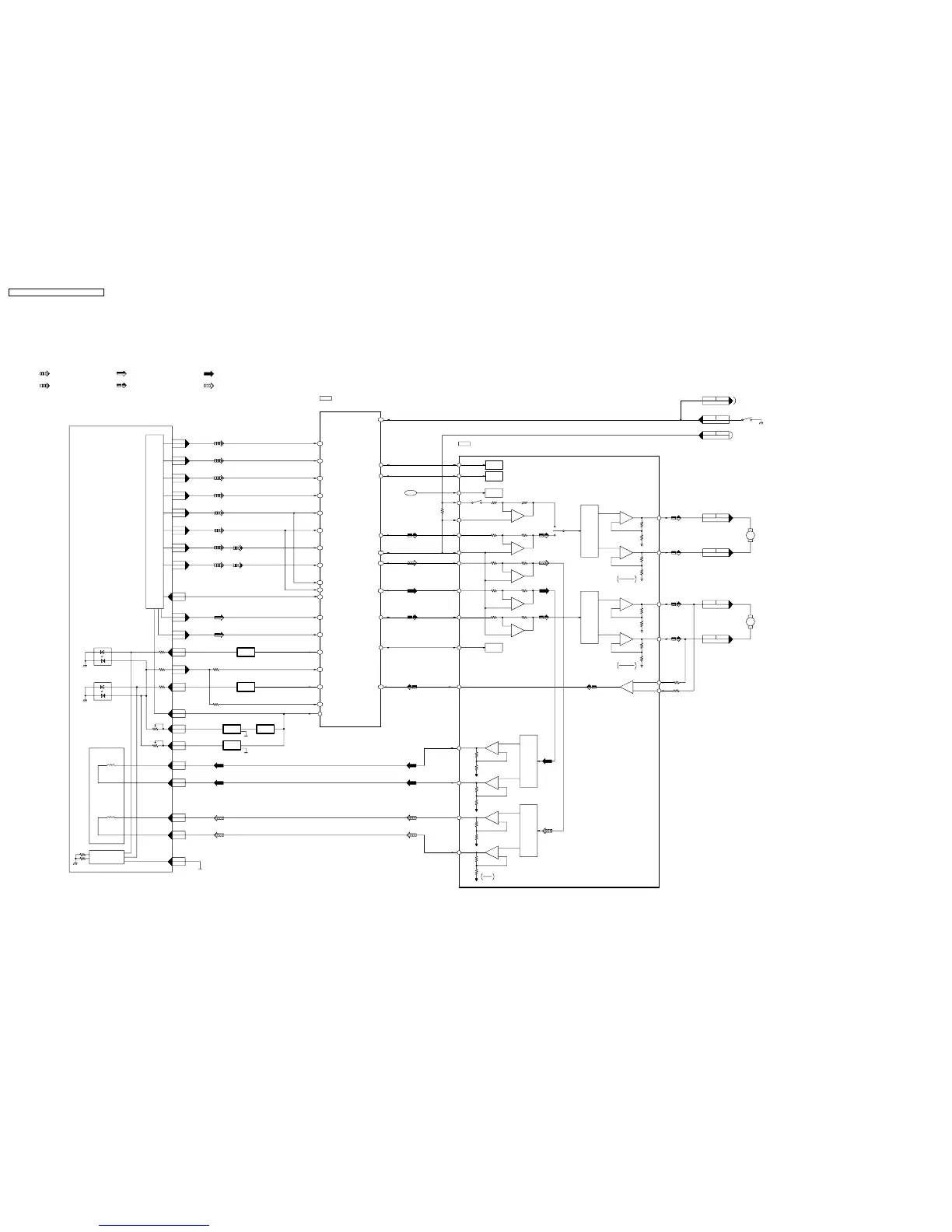
SA-PT560E/EB/EG DVD (SERVO) BLOCK DIAGRAM
SYSTEM CONTROL
FROM
SYSTEM CONTROL
TO
: DVD HEAD SIGNAL LINE
: DVD RF SIGNAL LINE
: MOTOR DRIVE SIGNAL LINE
: CD HEAD SIGNAL LINE
: TRACKING ERROR SIGNAL LINE
: FOCUS ERROR SIGNAL LINE
SA-PT560E / SA-PT560EB / SA-PT560EG
92

Table of Contents

Related product manuals