EasyManua.ls Logo

Panasonic SC-HM910 - Page 22

Panasonic SC-HM910
104 pages
Print Icon
To Next Page IconTo Next Page
To Next Page IconTo Next Page
To Previous Page IconTo Previous Page
To Previous Page IconTo Previous Page
Loading...
SC-HM910/SC-HM810
22
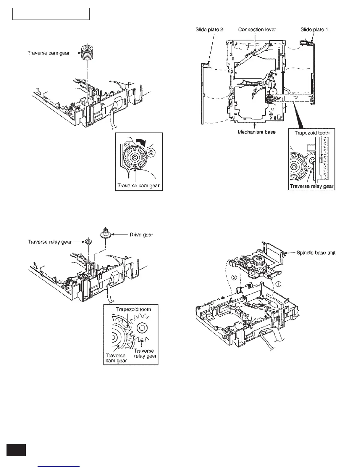
Step 1 Install the traverse cam gear.
Step 2 Rotate the traverse cam gear to the direction of arrow.
Step 3 Install the drive gear and traverse relay gear.
*When installing the traverse relay gear, align the trapezoid tooth
of gear with tooth of traverse cam gear.
Step 4 Install the slide plate 2 to the mechanism base, and
then match to the connection lever.
Step 5 Install the slide plate 1 to the mechanism base, and
then match to the connection level and align the tra-
pezoid tooth of traverse relay gear with the slide plate
1.
Step 6 Install the spindle base unit. (First, slide plate 1.)

Table of Contents

Related product manuals