EasyManua.ls Logo

Panasonic SC-HM910 - Speaker Parts List; Speaker Parts Location and Schematic Diagram

Panasonic SC-HM910
104 pages
Print Icon
To Previous Page IconTo Previous Page
To Previous Page IconTo Previous Page
Loading...
SC-HM910/SC-HM810
104
20.4.1 Speaker Parts List
20.4.2 Speaker Parts Location & Squematic Diagram
12
1
24
2
3
3
11
7
6
6
4
5
5
8
10 (SÓLO SC-HM810)
8
8
8
8
8
8
9
13
13
14
24
15
16
17
18
19
20
20
21
21
23
22
8
8
8
23
22
22
25
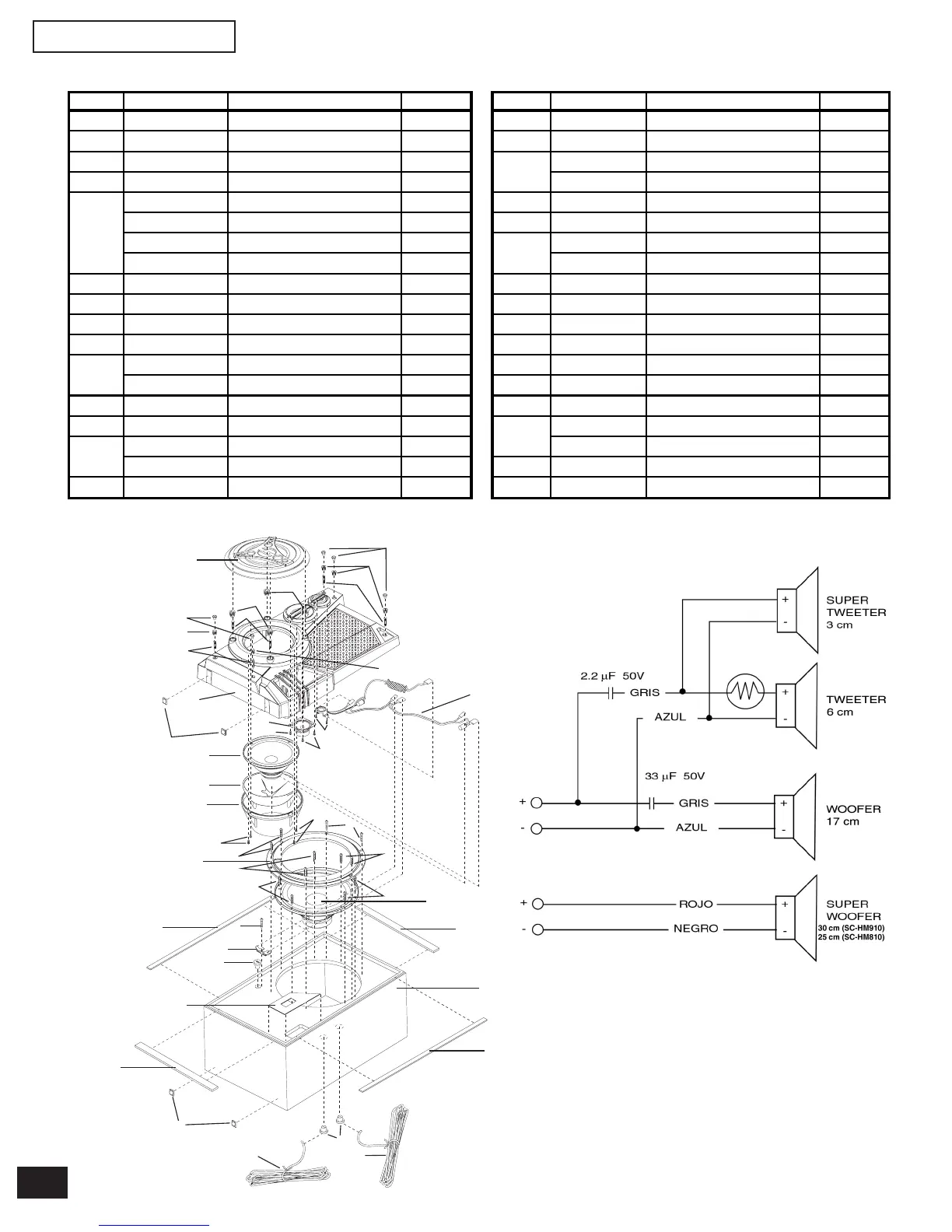
Ref. No. Part No. Part Name & Description Remarks Ref. No. Part No. Part Name & Description Remarks
1 REVM0060-1 WIRE 13 XTB4+8JFZ SCREW
2 REVM0056-1 WIRE RYPM0085 FRONT PANEL (R )
3 RMRM0014 WIRE CATCHER RYPM0086 FRONT PANEL (L)
RKPM0070 WOOD CAB. (R) SC-HM910 15 REVM0090 WIRE
RKPM0072 WOOD CAB. (R) SC-HM810 16 XTB3+10G-A SCREW
RKPM0071 WOOD CAB. (L) SC-HM910 EAS17PL302M SPEAKER SC-HM910
RKPM0073 WOOD CAB. (L) SC-HM810 EAS17PL16AM SPEAKER SC-HM810
5 RMQM0059 CUSHION 18 RMTM0001 ACOUSTIC MATERIAL
6 RMQM0028-1B CUSHION 19 RMRM0011-2 BACK CAVITY
7 RJH9210 TERMINAL 20 XTB4+14G SCREW
8 XTB4+20AFZ SCREW 21 RMGM0005 CATCH RUBBER
EAS30PL309C6 SPEAKER SC-HM910 22 RMGM0006 CATCH RUBBER
EAS25PL304BM SPEAKER SC-HM810 23 RGK0985B-S CAP ORNAMENT
10
RGEM0011 SPK RING(SÓLO SC-HM810) 24 RKA0072-KJ LEG RUBBER
11 RMQM0076 PORT SEAL RYBM0034-1 NET FRAME (R )
EAS6PH322B6 SPEAKER SC-HM910 RYBM0033-1 NET FRAME (L )
EAS6PH323B6 SPEAKER SC-HM810
14
25
9
12
17
4

Table of Contents

Related product manuals