EasyManua.ls Logo

Panasonic SC-HM910 - Page 43

Panasonic SC-HM910
104 pages
Print Icon
To Next Page IconTo Next Page
To Next Page IconTo Next Page
To Previous Page IconTo Previous Page
To Previous Page IconTo Previous Page
Loading...
SC-HM910/SC-HM810
43
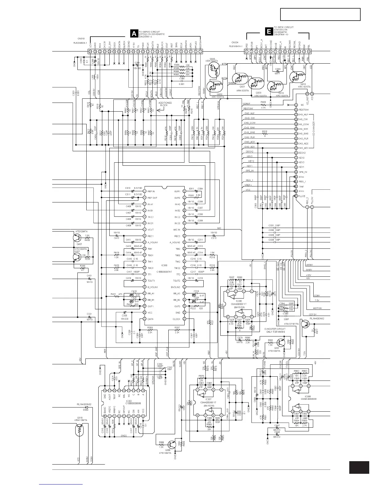
SCHEMATIC DIAGRAM - 5

Table of Contents

Related product manuals