EasyManua.ls Logo

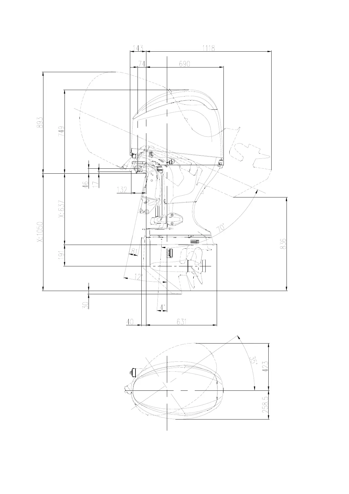
Parsun F115 - Overall Dimensions

Parsun F115
131 pages
Print Icon
To Next Page IconTo Next Page
To Next Page IconTo Next Page
To Previous Page IconTo Previous Page
To Previous Page IconTo Previous Page
Loading...
14
Overall dimensions
X-type:
X-type two-engine:

Table of Contents

Related product manuals