EasyManua.ls Logo

Perkins 5012C-E46TA - Page 41

Perkins 5012C-E46TA
106 pages
Print Icon
To Next Page IconTo Next Page
To Next Page IconTo Next Page
To Previous Page IconTo Previous Page
To Previous Page IconTo Previous Page
Loading...
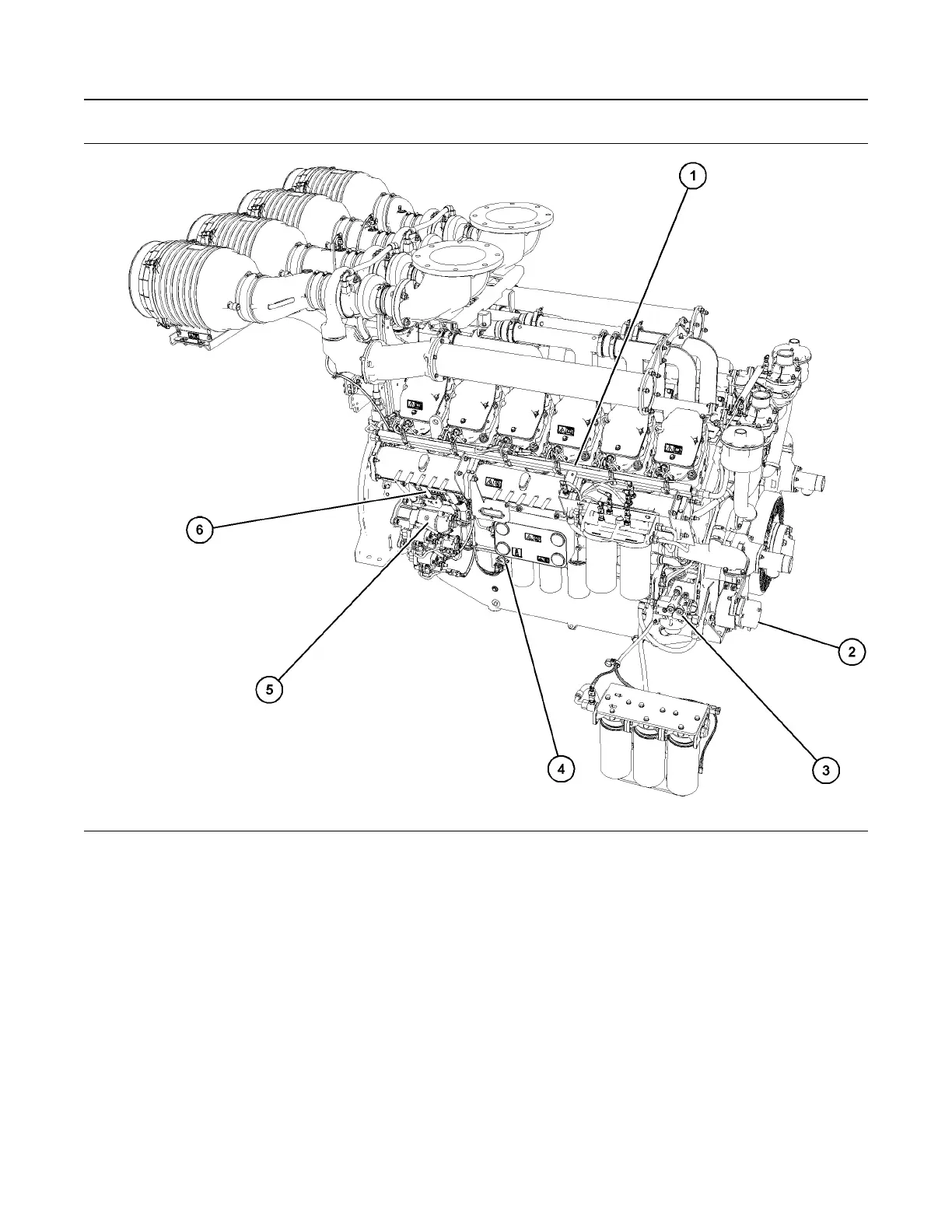
Illustration 39 g07706955
Typical example of the right side of the engine
(1) Injector wiring harness
(2) Alternator
(3) Electric Priming Pump (EPP) with remote
switch
(4) Electric Priming Pump (EPP) relay
(5) Starting motor
(6) Electronic Control Module (ECM)
M0163009 41
Operation Section
Sensors and Electrical Components

Table of Contents

Related product manuals