EasyManua.ls Logo

Perkins 5012C-E46TA - Page 7

Perkins 5012C-E46TA
106 pages
Print Icon
To Next Page IconTo Next Page
To Next Page IconTo Next Page
To Previous Page IconTo Previous Page
To Previous Page IconTo Previous Page
Loading...
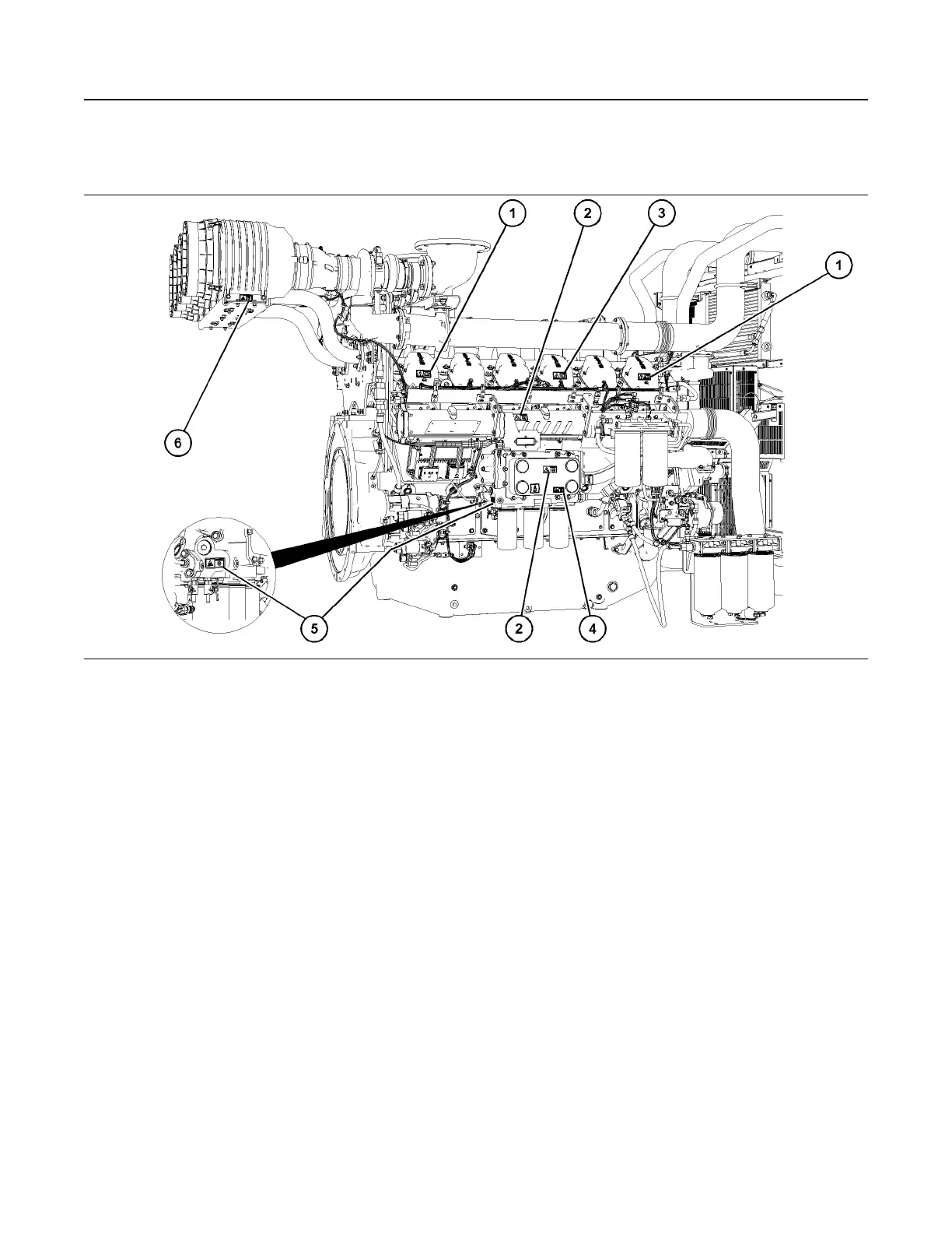
Warning labels Position Bank A
Illustration 1 g07673876
Typical example
(1) Universal warning label locations
(2) Do not step label location
(3) Electrocution danger label location
(4) Hot surface label location
(5) Hot fluid under pressure label locations
(6) Ether warning label location
M0163009
7
Safety Section
Safety Messages

Table of Contents

Related product manuals