EasyManua.ls Logo

Philips 42PF9731D - Page 178

Philips 42PF9731D
201 pages
Print Icon
To Next Page IconTo Next Page
To Next Page IconTo Next Page
To Previous Page IconTo Previous Page
To Previous Page IconTo Previous Page
Loading...
Circuit Descriptions, Abbreviation List, and IC Data Sheets
EN 178 BJ2.4U/BJ2.5U LA9.
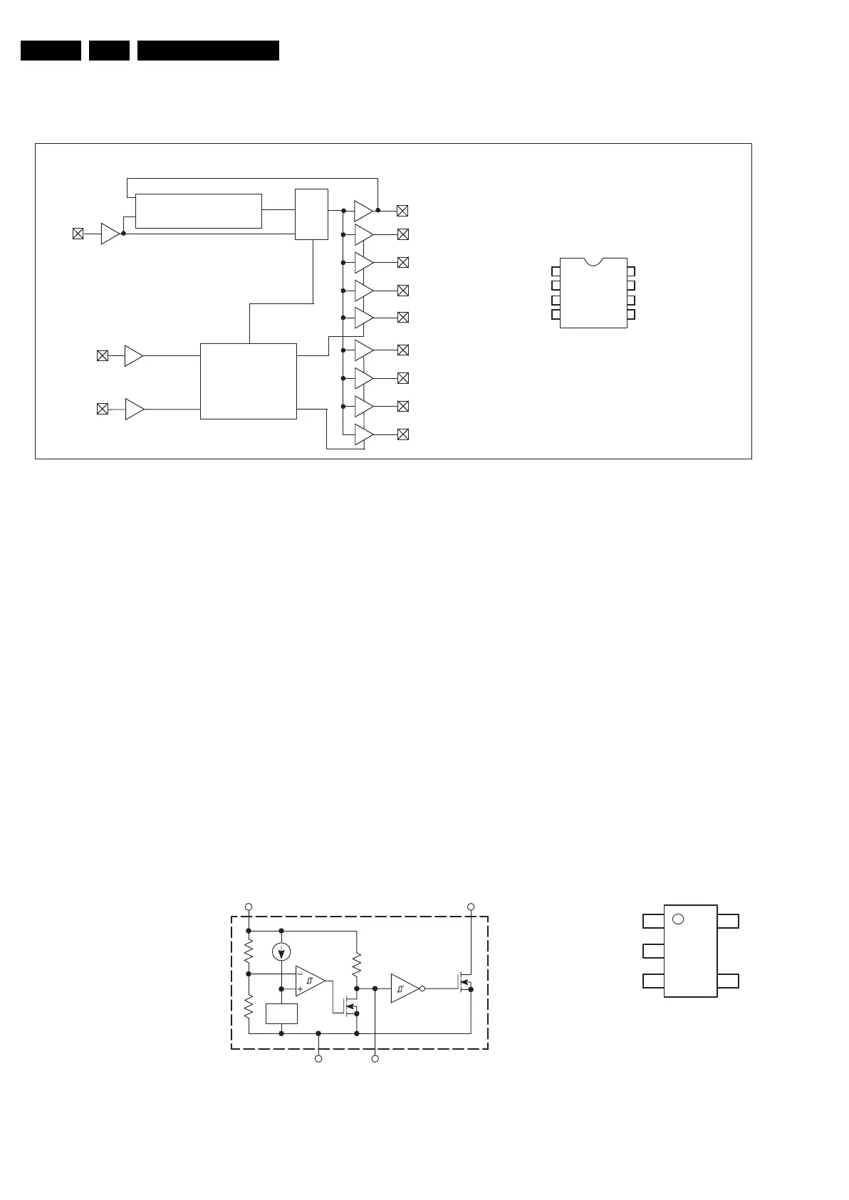
9.16.6 Diagram B4A, CY2305SC-1 (IC 7J08)
Figure 9-34 Internal block diagram and pin configuration
9.16.7 Diagram B4E, NCP303LSN (IC 7LB0 - 7LB4)
Figure 9-35 Internal block diagram and pin configuration
Block Diagram
Pin Configuration
1
2
3
4
5
8
7
6
REF
CLK2
CLK1
GND
V
DD
CLKOUT
CLK4
CLK3
SOIC
CY2305SC-1
Top View
PLL
MUX
Select Input
REF
S2
S1
CLKA1
CLKA2
CLKA3
CLKA4
CLKB1
CLKB2
CLKB3
CLKB4
Decoding
CLKOUT
E_14620_146.eps
241004
Block Diagram
Pin Configuration
F_15400_133.eps
230905
NCP303LSNxxT1
Open Drain Output Configuration
V
ref
2 Input
3 Gnd
5C
D
R
D
1 Reset Output
1
3
N.C.
Reset
Output
2
Input
Ground
4
C
D
5
xxxYW
(Top View)
xxx = 302 or 303
Y = Year
W = Work Week

Table of Contents

Other manuals for Philips 42PF9731D

Related product manuals