EasyManua.ls Logo

Philips BDL3245E/00 - Page 49

Philips BDL3245E/00
183 pages
Print Icon
To Next Page IconTo Next Page
To Next Page IconTo Next Page
To Previous Page IconTo Previous Page
To Previous Page IconTo Previous Page
Loading...
49
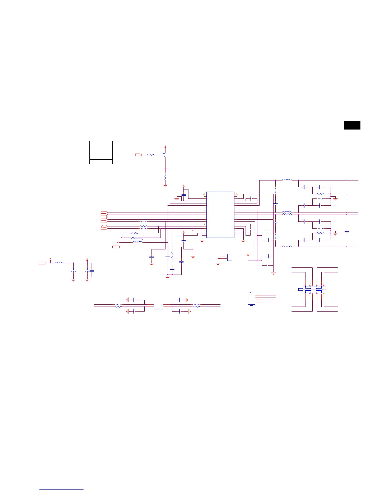
Remark: Parts position can be searched by using FIND function in PDF.
R6005
2K2 1/10W 1%
ROUTB+
ROUTB-
LOUTB-
LOUTB+
1
2
HS1
HEAT SINK
AMP_RESET10
AUDIO_VCC
AUDIO_VCC
C6003
100N 16V
C6008
100N 16V
USEV551
I2SA_DOUT010
I2SA_MCLK10
MODEL
+
C6005
330UF 35V
NC
ROUTA-
C6011
0.1UF50V
ROUTA+
V422
056G616 101
C6006
100N 16V
20101203
C6032 470PF
NC
U603
Q6002
MMBT3906
C6007
100N 16V
I2C address: 38H and 39H
V651
NC
C6009
0.1UF50V
C6017 100N 25V
V462
20101125
R6025
4K7 1/16W 5%
MSTR_SDA_V33
MSTR_SCL_V33
SNUBBER
+3.3V_AUD_AMP
SNUBBER
OUT_MUTE9
C6016 100N 25V
C6018 100N 25V
C6020 100N 25V
C6021
100N 25V
AMP_RESET
C6022 100N 25V
1 2
FB6002 120 OHM
R6001 4K7 1/ 16W 5%
R6002 4K7 1/ 16W 5%
C6023 100N 25V
1 2 3
10 1112
4 5 6
97 8
SW1
SW
ROUT+
LOUT +
1
2
3
4
CN 6011
CONN
ROUT-
LOUT-
MSTR_SCL_V339,16
MSTR_SDA_V339,16
C6010
1uF
C6013
1uF
R6036 0R05 1/16W
ROUTB+
ROUTB-
C6025 100N 25V
R6037 0R05 1/16W
LOUTA+
LOUTA-
ROUTA-
ROUTA+ LOUTB+
LOUTB-
C6014
330pF 50V
C6015
330pF 50V
R6013 47R 1/ 16W 5%
C6028
100N 16V
C6001
0.1U F50V
LOUT-
LOUT+ROUT+
ROUT-
C6033 470PF
C6031
4700P 50V
R6038 NC
C6029
680P 50V
R6039 NC
R6040 NC
R6041 NC
C6034 470PF
C6035 470PF
ROUT+
LOUTA+
LOUTA-
L6005
22UH
DGND
C6019
0.47UF 50V
DGND
DGND
DGND
DGND
+24V9,15,16
+24V
DGND
DGND
DGND
DGND
DGND
DGND
DGND
R6007
20R 1%
DGND
+3.3V_AUD _AMP15
DGND
DGND
R6008
20R 1%
DGND
DGND
C6024
0.47UF 50V
C6030
680P 50V
+3.3V_AUD _AMP
I2SA_WS_OUT
GND_SUB
1
SA
2
TEST_MODE
3
VSS
4
VCC_REG
5
OUT2B
6
GND2
7
VCC2
8
OUT2A
9
OUT1B
10
VCC1
11
GND1
12
OUT1A
13
GND _REG
14
VDD
15
CONFIG
16
OUT3B
17
OUT3A
18
EAPD/OUT4B
19
TWARN/OUT4A
20
VDD_DI G
21
GND _DIG
22
PWRDN
23
VDD_PLL
24
FILTER_PLL
25
GND _PLL
26
XTI
27
BICKI
28
LRC KI
29
SDI
30
RESET
31
INT_LINE
32
SDA
33
SCL
34
GND _DIG
35
VDD_DI G
36
The rm al Pa d
37
U601
STA339BWTR
R6027
10K 1/16W 5%
R6009
6.2 OHM 1/4W
R6010
6.2 OHM 1/4W
R6011
6.2 OHM 1/4W
R6012
6.2 OHM 1/4W
+3.3V_AUD_AMP
+
C6002
330UF 35V
A
1
C
2
B
3
D
4
CN 6012
PUSH TERMINAL
ROUT-
LOUT-
L6001 22UH
+3.3V_AUD _AMP
L6002 22UH
L6003 22UH
L6004 22UH
I2SA_WS_OUT10
I2SA_CLK_OUT10
I2SA_MCLK
I2SA_CLK_OUT
LOUT+

Table of Contents

Related product manuals