EasyManua.ls Logo

Philips LPC2194 - Block Diagram; Figure 46: Watchdog Block Diagram

Philips LPC2194
306 pages
Print Icon
To Next Page IconTo Next Page
To Next Page IconTo Next Page
To Previous Page IconTo Previous Page
To Previous Page IconTo Previous Page
Loading...
Watchdog 261 May 03, 2004
Philips Semiconductors Preliminary User Manual
LPC2119/2129/2194/2292/2294ARM-based Microcontroller
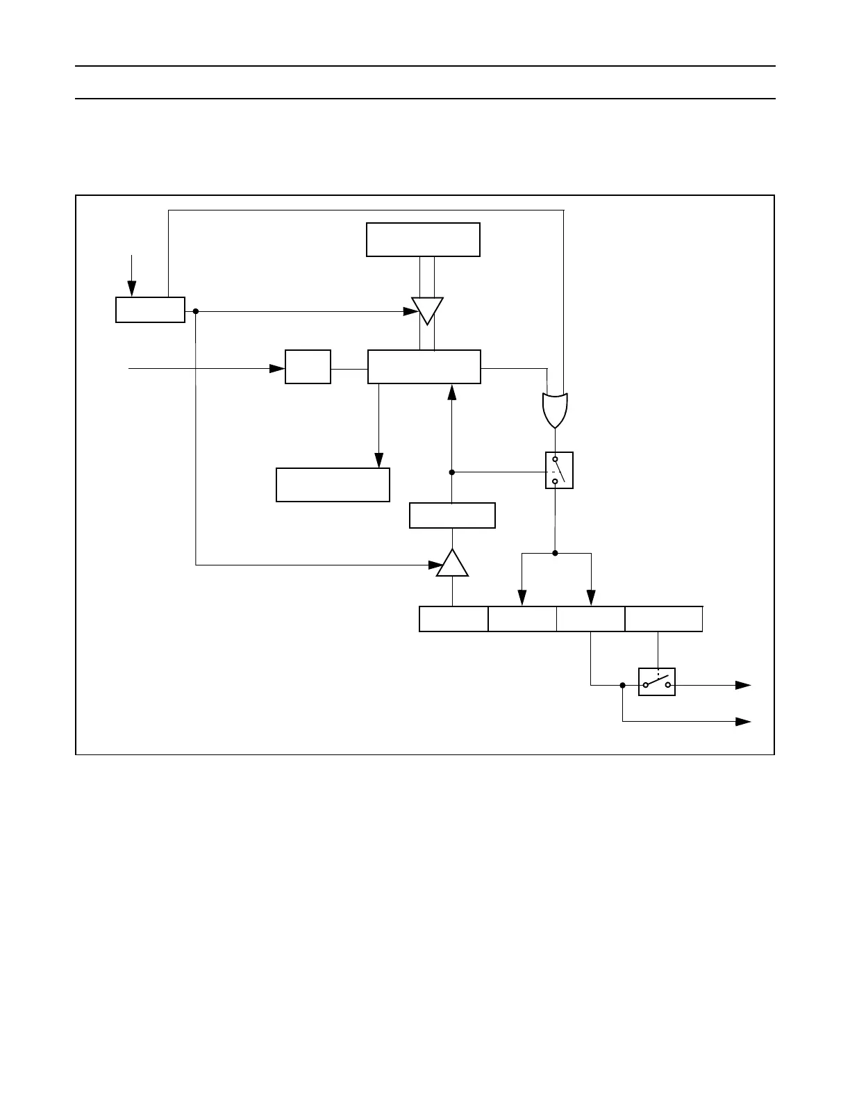
BLOCK DIAGRAM
The block diagram of the Watchdog is shown below in the Figure 46.
Figure 46: Watchdog Block Diagram
WDEN
2
SHADOW BIT
WDINT
FEED
SEQUENCE
WDFEED
32-BIT DOWN
COUNTER
WDTC
WDTOF
pclk
RESET
WDMOD
REGISTER
/ 4
INTERRUPT
FEED OK
FEED ERROR
WDRESET
2
CURRENT WD
TIMER COUNT
WDTV
REGISTER
1. Counter is enabled only when the WDEN bit is set
and a valid feed sequence is done.
2. WDEN and WDRESET are sticky bits. Once set
they cant be cleared until the Watchdog underflows
or an external reset occurs.
ENABLE
COUNT
1
UNDER
FLOW

Table of Contents

Related product manuals