EasyManua.ls Logo

Philips LPC2194 - Figure 42: PWM Block Diagram

Philips LPC2194
306 pages
Print Icon
To Next Page IconTo Next Page
To Next Page IconTo Next Page
To Previous Page IconTo Previous Page
To Previous Page IconTo Previous Page
Loading...
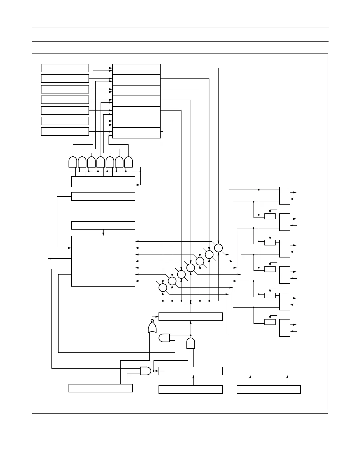
Pulse Width Modulator (PWM) 226 May 03, 2004
Philips Semiconductors Preliminary User Manual
LPC2119/2129/2194/2292/2294ARM-based Microcontroller
Figure 42: PWM block diagram
=
=
Match Register 0
Match Register 1
Match Register 2
Match Register 3
Match Register 4
Match Register 5
Match Register 6
Shadow Register 0
Shadow Register 1
Shadow Register 2
Shadow Register 3
Shadow Register 4
Shadow Register 6
Shadow Register 5
=
=
=
=
Prescale Register
MAXVAL
Prescale Counter
Timer Counter
Timer Control Register
Match Control Register
Interrupt Register
TCI
ENABLERESET
CE
CSN
M[6:0]
Interrupt
Stop on Match
Reset on Match
Control
Latch Enable Register
PWM Control Register
=
Match 0
Match 3
Match 4
Match 2
PWMSEL2
mux
Match 1
Match 5
Match 6
PWM2
PWMSEL3
mux
PWM3
PWMSEL4
mux
PWM4
PWMSEL5
mux
PWM5
PWMSEL6
mux
PWM6
PWM1
Load Enable
Load Enable
Load Enable
Load Enable
Load Enable
Load Enable
Load Enable
Match 0
Clear
PWMENA1..6
Note: this diagram is intended to clarify the function of the PWM rather than to suggest a specific design implementation.
PWMSEL2..6
Q
S
R
EN PWMENA1
Q
S
R
EN
Q
S
R
EN
Q
S
R
EN
PWMENA3
PWMENA2
PWMENA4
Q
S
R
EN
PWMENA5
Q
S
R
EN
PWMENA6

Table of Contents

Related product manuals