EasyManua.ls Logo

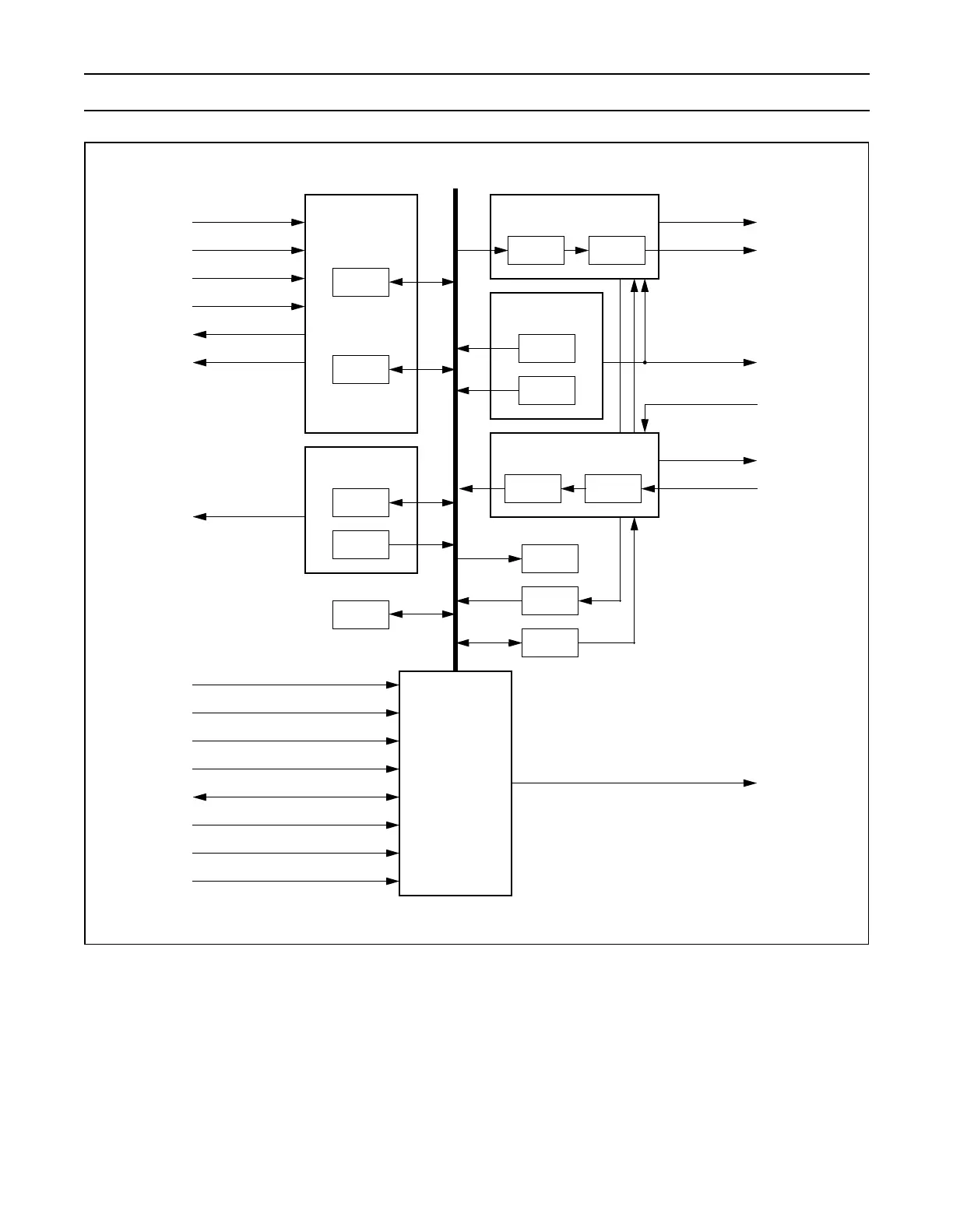
Philips LPC2194 - Figure 23: UART1 Block Diagram

Philips LPC2194
306 pages
Print Icon
To Next Page IconTo Next Page
To Next Page IconTo Next Page
To Previous Page IconTo Previous Page
To Previous Page IconTo Previous Page
Loading...
UART1 165 May 03, 2004
Philips Semiconductors Preliminary User Manual
LPC2119/2129/2194/2292/2294ARM-based Microcontroller
Figure 23: UART1 Block Diagram
THR
NTXRDY
TxD1
NBAUDOUT
RCLK
RxD1
NRXRDY
U1TSR
U1THR
U1Tx
U1BRG
U1DLL
U1DLM
U1RSR
U1Rx
U1RBR
U1FCR
U1LSR
LCRU1LCR
DDISVPB
Interface
U1SCR
U1MSR
MODEM
U1MCR
INTERRUPT
U1IER
U1IIR
pclk
PA[2:0]
PSEL
PSTB
PWRITE
PD[7:0]
AR
MR
U1INTR
RTS
DTR
CTS
DSR
DCD
RI

Table of Contents

Related product manuals