EasyManua.ls Logo

Philips LPC2194 - Block Diagram; Figure 1: LPC2119;2129;2194;2292;2294 Block Diagram

Philips LPC2194
306 pages
Print Icon
To Next Page IconTo Next Page
To Next Page IconTo Next Page
To Previous Page IconTo Previous Page
To Previous Page IconTo Previous Page
Loading...
Introduction 20 May 03, 2004
Philips Semiconductors Preliminary User Manual
LPC2119/2129/2194/2292/2294ARM-based Microcontroller
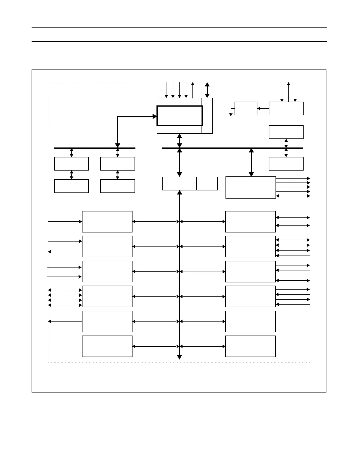
BLOCK DIAGRAM
Figure 1: LPC2119/2129/2194/2292/2294 Block Diagram
Internal SRAM
Controller
AHB
Decoder
Internal Flash
Controller
ARM7TDMI-S
16 kB
SRAM
128/256 kB
FLASH
I
2
C Serial
Interface
Vectored Interrupt
Controller
* Shared with GPIO
1
When Test/Debug Interface is used, GPIO/other functions sharing these pins are not available
2
LPC2292/2294 only.
3
LPC2194/2294 only.
AMBA AHB
(Advanced High-performance Bus)
VPB (VLSI
Peripheral Bus)
Test/Debug Interface
TDO
1
TRST
1
TMS
1
TDI
1
TCK
1
AHB Bridge
System
Functions
Xtal2
RESET
Xtal1
Emulation Trace
Module
SCL
SDA
SPI Serial
Interfaces 0 & 1
SCK0,1
MOSI0,1
MISO0,1
SSEL0,1
UART 0 & 1
TxD0,1
RxD0,1
Ain3:0
A/D
Converter
Real Time
Clock
P0.30:0
General
Purpose I/O
PWM6:1
PWM0
8 x CAP0
8 x MAT
Capture /
Compare
TIMER 0 & 1
Watchdog
Timer
DSR1,CTS1,D
CD1, RI1
PLL
AHB to VPB
Bridge
System
Clock
System
Control
VPB
Divider
EINT3:0
External
Interrupts
ARM7 Local Bus
External Memory
Controller
2
BLS3:0*
OE, WE*
D31:0*
A23:0*
CS3:0*
P1.31:16, 1:0
2
P2.31:0
2
P3.31:0
2
Ain7:4
2
CAN
TD2,1
RD2,1
TD4:3
3
RD4,3
3

Table of Contents

Related product manuals